EasyManua.ls Logo

Matest B041 - Page 40

Matest B041
47 pages
Print Icon
To Next Page IconTo Next Page
To Next Page IconTo Next Page
To Previous Page IconTo Previous Page
To Previous Page IconTo Previous Page
Loading...
Rev. Descrizione Redatto/Gestito Approvato Cod.Ident. Pagine Data Em.
0.6 Manuale Istruzioni GN UTEC B041.M01.EN 40/47 07/2014
and treatment services for deplete devices that will come back through these recycling sites, according to the
local statement
ENCLOSURE
I
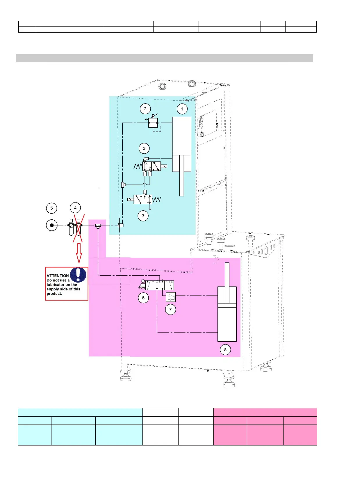
PNEUMATIC SYSTEM DIAGRAMS
Gyratory Compactor
(optional) (optional)
Extruder
(optional)
1 2 3 4 5 6 7 8
Cylinder
Pneumatic
Precision
Regulator
Automatic
Valve
FR
(FILTER
REGULATOR)
Pressure
source
manually
actuated
valve
Flow
regulator
Cylinder

Related product manuals