EasyManua.ls Logo

matson MA98411 - Page 17

matson MA98411
24 pages
Print Icon
To Next Page IconTo Next Page
To Next Page IconTo Next Page
To Previous Page IconTo Previous Page
To Previous Page IconTo Previous Page
Loading...
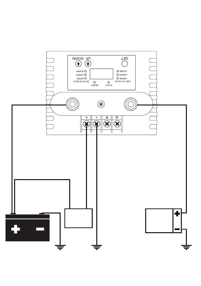
AUTOMATIC LOAD SWITCHING WIRING
EXAMPLE
LOAD
150A
MAX
FLOAT
SWITCH