EasyManua.ls Logo

Maxim MRT500 - Page 23

Maxim MRT500
28 pages
Print Icon
To Next Page IconTo Next Page
To Next Page IconTo Next Page
To Previous Page IconTo Previous Page
To Previous Page IconTo Previous Page
Loading...
23
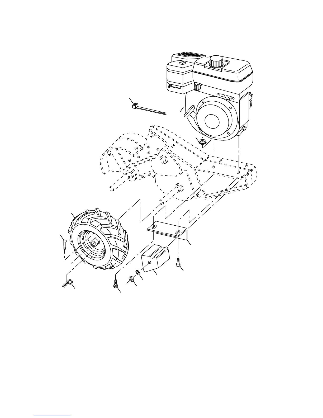
REPAIR PARTS
TILLER - - MODEL NUMBER MRT500 (MXR500Q)
MAINFRAME, RIGHT SIDE
5
10
7
8
9
11
12
13
15
2
10
16
KEY PART
NO. NO. DESCRIPTION
KEY PART
NO. NO. DESCRIPTION
2 73970500 Nut, Lock Hex Flange
5 102332X Bracket, Reinforcement
7 102173X Counter Weight, R.H.
8 10040600 Washer, Lock 3/8
9 73220600 Nut, Hex 3/8-16
10 74760524 Bolt, Hex 5/16-18 x 1-1/2
11 4497H Clip, Hair pin
12 126875X Rivet, Drilled
13 102190X Tire
183122X624 Rim
795R Tire Valve
15 - - - - - - - Engine, Briggs Model 120302
(Order parts from engine manufac-
turer)
16 7192J Tie Cable
NOTE: All component dimensions given in U.S.inches.
1 inch = 25.4 mm

Related product manuals