EasyManua.ls Logo

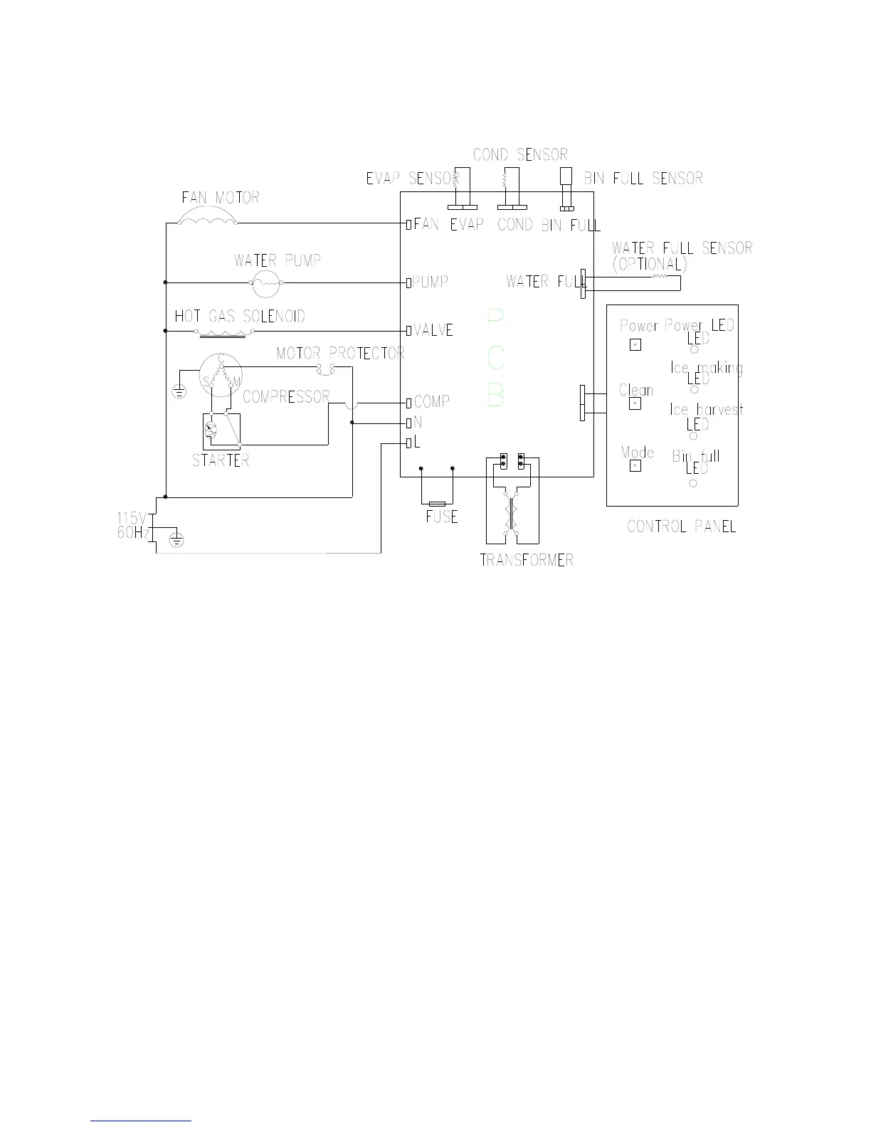
Maxx MIM-50 - Wiring Connection

Maxx MIM-50
19 pages
Print Icon
To Next Page IconTo Next Page
To Next Page IconTo Next Page
To Previous Page IconTo Previous Page
To Previous Page IconTo Previous Page
Loading...
5
Wiring Connection :