EasyManua.ls Logo

Maytag NGD7200TW - Electric Dryer Wiring Diagram; Wiring Schematic

Maytag NGD7200TW
20 pages
Print Icon
To Next Page IconTo Next Page
To Next Page IconTo Next Page
To Previous Page IconTo Previous Page
To Previous Page IconTo Previous Page
Loading...
W10162408
9
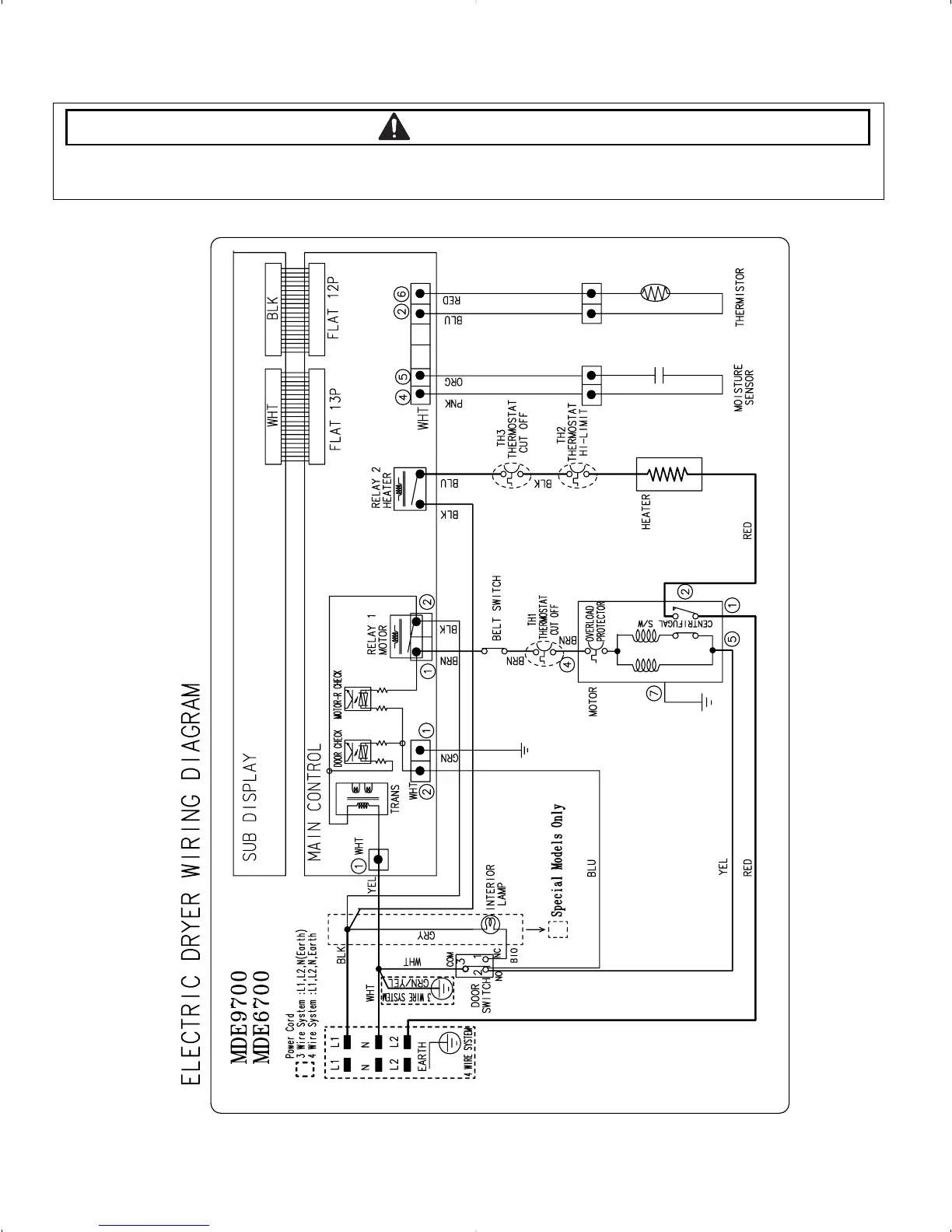
Wiring Schematic
WARNING
To avoid risk of electrical shock, personal injury or death; disconnect power to dryer before servicing, unless
testing requires power.

Related product manuals