EasyManua.ls Logo

Mazda 3 2016 - Page 62

Mazda 3 2016
598 pages
Print Icon
To Next Page IconTo Next Page
To Next Page IconTo Next Page
To Previous Page IconTo Previous Page
To Previous Page IconTo Previous Page
Loading...
2
48
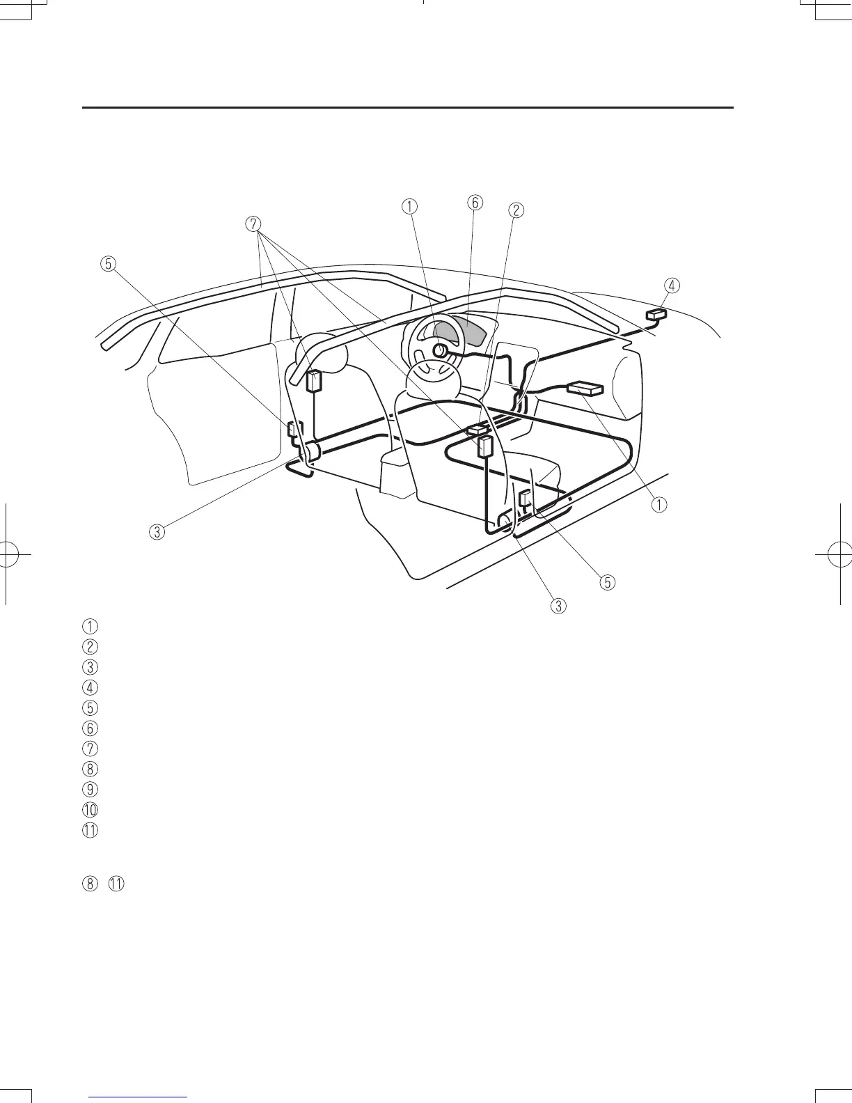
Essential Safety Equipment
SRS Air Bags
*Some models.
(Without Front Passenger Occupant Classi¿ cation System)
Driver/Front passenger inÀ ators and air bags
Roll-over sensor
*
, crash sensors, and diagnostic module (SAS unit)
Seat belt pretensioners (page 2-17 )
Front air bag sensors
Side crash sensors
*
Air bag/seat belt pretensioner system warning light (page 4-20 )
Side and curtain inÀ ators and air bags
*
Front passenger air bag deactivation indicator light (page 2-56 )
Front passenger seat weight sensors (page 2-56 )
Front passenger seat weight sensor control module
Driver and front passenger seat belt buckle switches (page 2-60 )
N O T E
- are equipped only on models with the front passenger occupant classi¿ cation system.
Mazda38FA4-EA-15GEdition3.indb48Mazda38FA4-EA-15GEdition3.indb48 2015/12/0419:12:012015/12/0419:12:01

Table of Contents

Related product manuals