EasyManua.ls Logo

Mazda MX-5 - Interior Overview (Right-Hand Drive Model)

Mazda MX-5
14 pages
Print Icon
To Next Page IconTo Next Page
To Next Page IconTo Next Page
To Previous Page IconTo Previous Page
To Previous Page IconTo Previous Page
Loading...
1031733 Rev. A 05/06
13
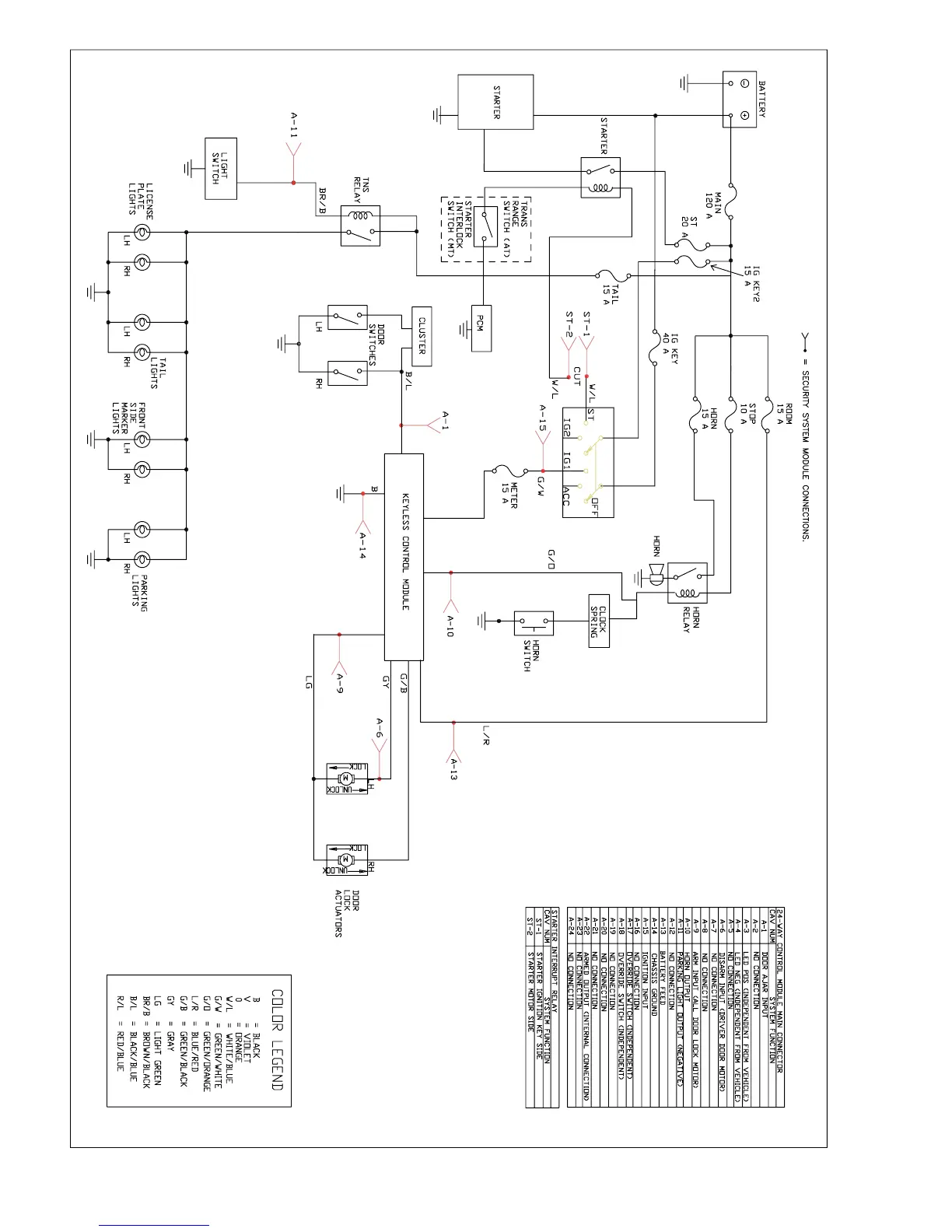
SECURITY SYSTEM DIAGRAM

Other manuals for Mazda MX-5

Related product manuals