EasyManua.ls Logo

MC Crypt DJ-2650 B USB - Anschluss- und Bedienelemente

MC Crypt DJ-2650 B USB
Print Icon
To Next Page IconTo Next Page
To Next Page IconTo Next Page
To Previous Page IconTo Previous Page
To Previous Page IconTo Previous Page
Loading...
7
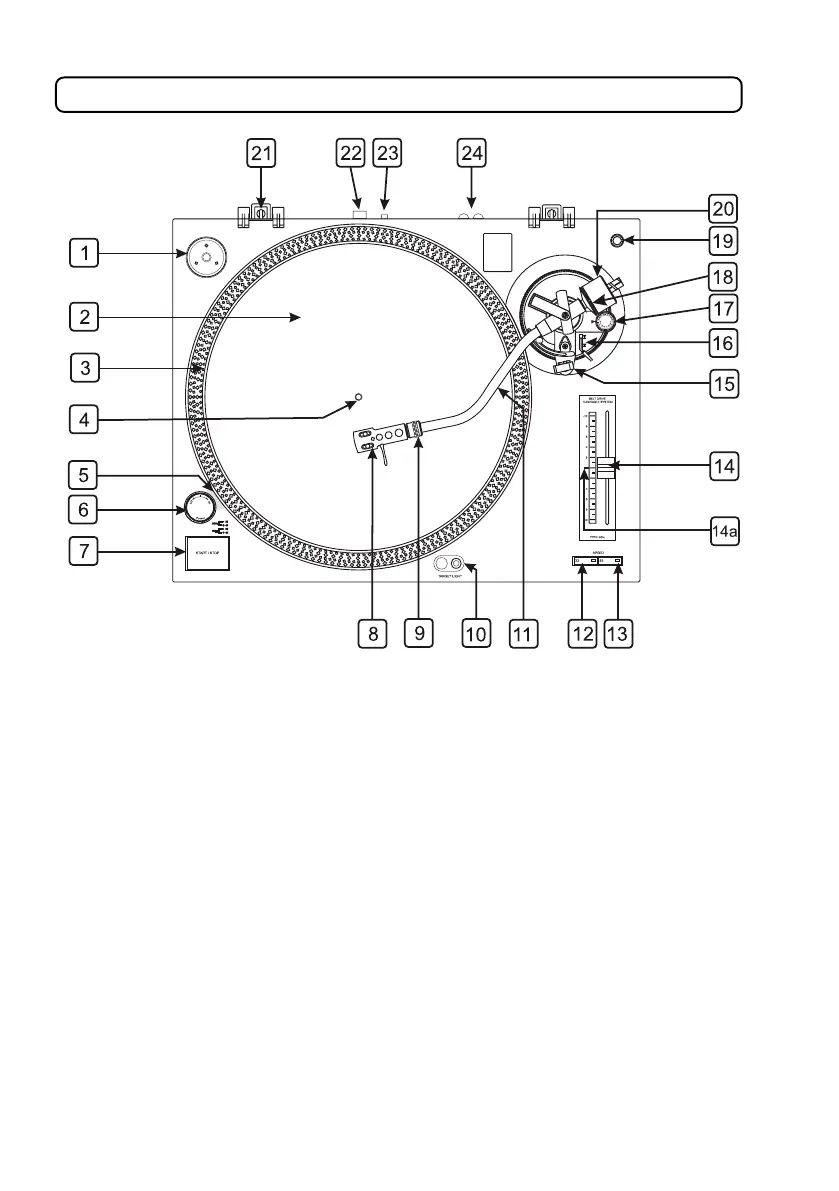
Anschluss- und Bedienelemente
(1) Singlepuck-Halter
(2) Plattenteller
(3) Stroboskop-Punkte
(4) Plattentellerachse
(5) Stroboskop-Leuchte
(6) Netzschalter POWER
(7) Taste START/STOP
(8) Tonabnehmersystem
(9) Headshell-Mutter
(10) Nadel-Leuchte
(11) Tonarm
(12) Taste SPEED 33
(13) Taste SPEED 45
(14) Regler PITCH ADJ
(14a) PITCH LED (nur Modell DJ-2650 D USB)
(15) Tonarmstütze
(16) Tonarmlifthebel
(17) Antiskating-Regler
(18) Skala des Gegengewichts
(19) Halterung für Ersatz-Abtastsystem
(20) Tonarmgegengewicht
(21) Scharnier für Abdeckhaube
(22) Anschluss USB
(23) Schalter PHONO/LINE
(24) Anschluss R/L

Table of Contents

Related product manuals