EasyManua.ls Logo

McCulloch 17107 - Chassis

McCulloch 17107
20 pages
Print Icon
To Next Page IconTo Next Page
To Next Page IconTo Next Page
To Previous Page IconTo Previous Page
To Previous Page IconTo Previous Page
Loading...
6
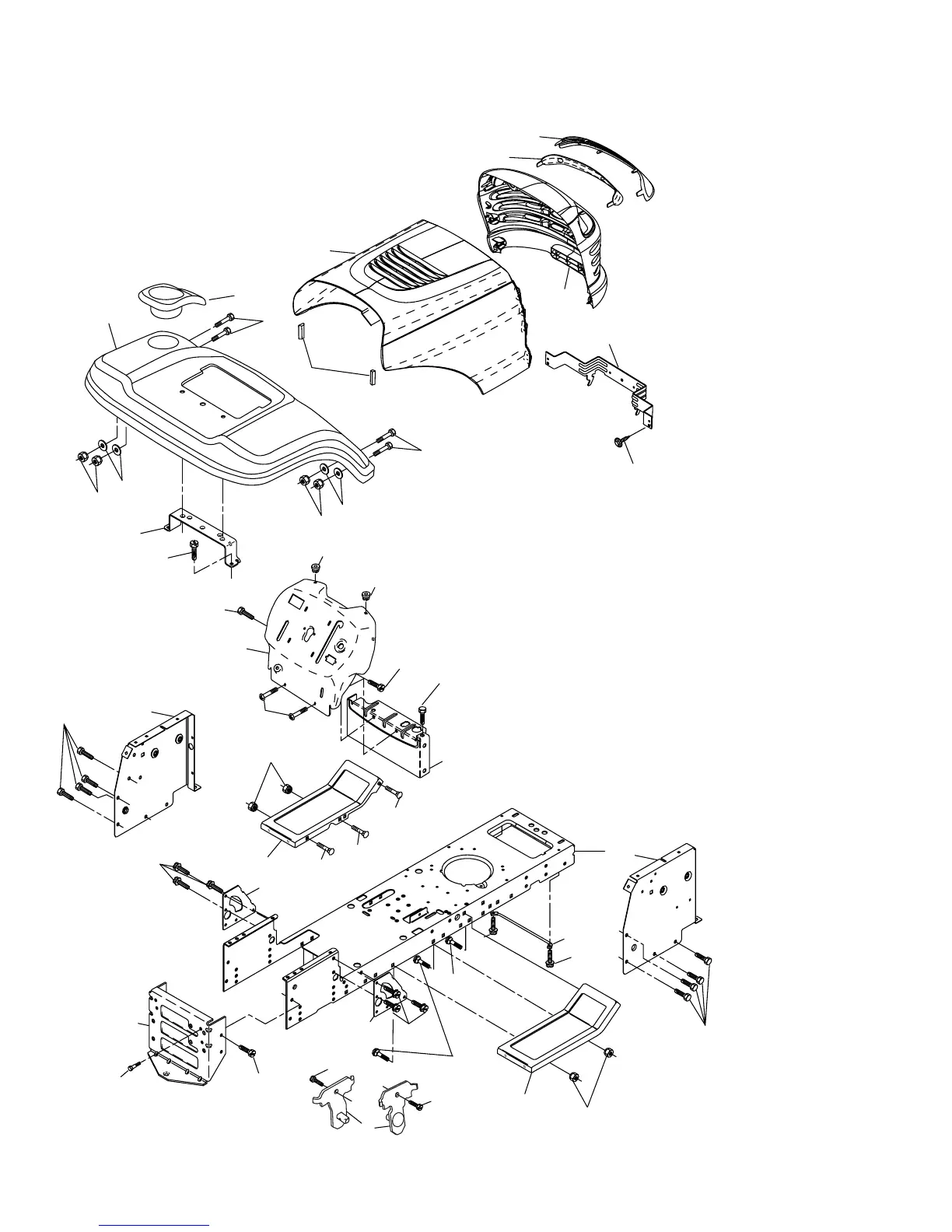
REPAIR PARTS
TRACTOR - - MODEL NO. 17107 (BA17107C), PRODUCT NO. 964 77 33-02
CHASSIS
26
25
64
208
13
208
11
1
209
2
9
208
209
209
5
5
207
209
142
209
142
145
37
209
37
24
26
25
209
31
24
30
35
209
26
33
10
26
34
35
14
38
14
206
18
17
29
28
278
39
212
chassis_elite value_stlt_3
159

Related product manuals