EasyManua.ls Logo

McCulloch MC621 - Page 26

McCulloch MC621
32 pages
Print Icon
To Next Page IconTo Next Page
To Next Page IconTo Next Page
To Previous Page IconTo Previous Page
To Previous Page IconTo Previous Page
Loading...
26
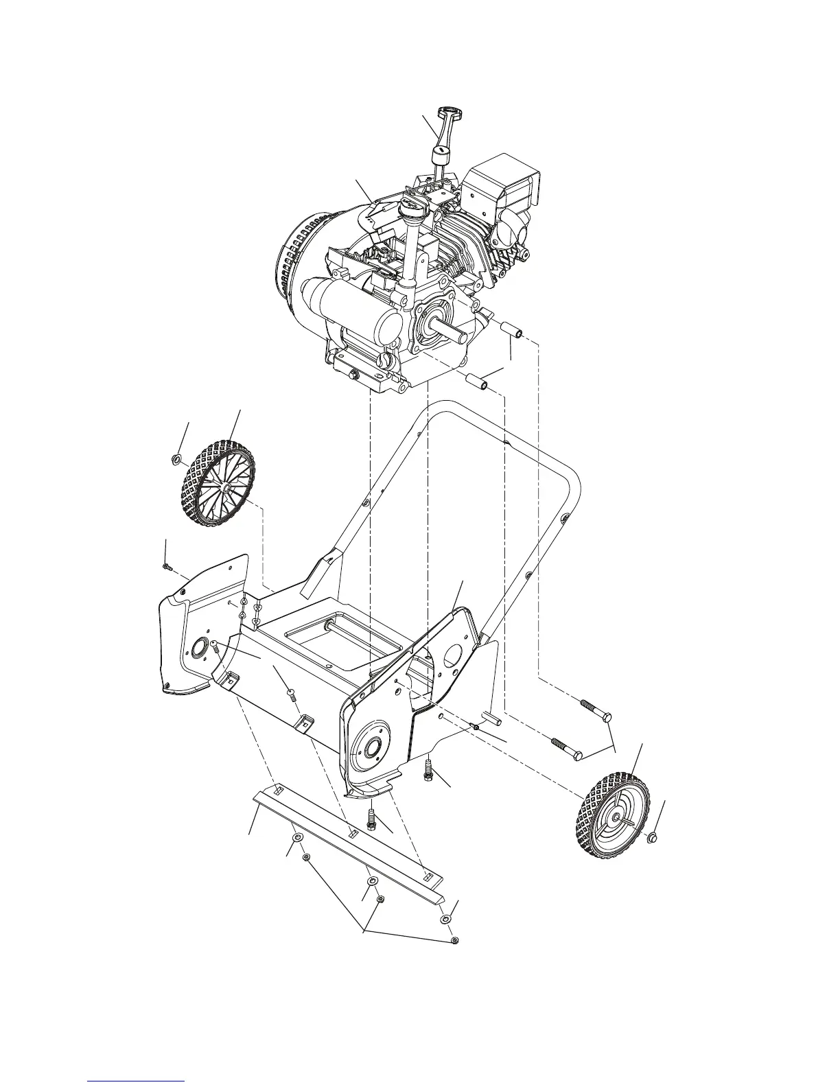
REPAIR PARTS SNOW THROWER - - MODEL NUMBER MC621ES (96182000601)
FRAME ASSEMBLY
1
2
3
4
4
5
7
6
11
10
6
8
3
9
13
13
13
SSST-Frame asm_5
12
12
NOTE: All component dimensions given in U.S. inches. 1 inch = 25.4 mm
IMPORTANT: Use only Original Equipment Manufacturer (O.E.M.) replacement parts.
Failure to do so could be hazardous, damage your snow thrower and void your warranty.

Related product manuals