EasyManua.ls Logo

McCulloch MS1635AV - General Assembly

McCulloch MS1635AV
8 pages
Print Icon
To Next Page IconTo Next Page
To Next Page IconTo Next Page
To Previous Page IconTo Previous Page
To Previous Page IconTo Previous Page
Loading...
2
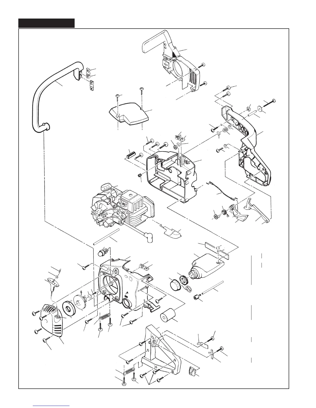
GENERAL ASSEMBLY
FIGURE 1
––4––
––6
––7––
3––––9
––10
––11
––12
––4
––5
––7
––8
––14
––15
14–
––16
––17
––18
18–
––19
––25
25–
––26
44
45
42
56
57
2
46
44
50
51
52
49
62
43
62
60
61
41
28
27
30
29
31
25
54
55
53
32
26
22
62
20
17
21
14
19
18
16
15
55
54
33
40
58
24
34
34
13
11
7
6
5
4
12
9
10
8
36
38
38
39
37
59
48
48
59
35
34
47
48
48
1
47
7
FIGURE 4
CARBURETOR ASSEMBLY
ITEM
STK PART UNITS
NO. CODE NUMBER DESCRIPTION PER ASY
- B 323653-03 Carburetor, Zama CU1M28C
- B 323654-03 Carburetor, Zama CU1M33C
B 324947-01 Carburetor, Zama C1QM36
1 -- -- . Strainer 1
2 -- -- . Plug, Welch 1
3 -- -- . Valve, Check 1
4 -- -- . Retainer, Check Valve 1
5 -- -- . Nozzle Asy, Check Valve 1
6 -- -- . Shaft Asy, Throttle 1
7 -- -- . Spring, Throttle Return 1
8 -- -- . Valve, Throttle 1
9 -- -- . Diaphragm Asy, Metering 1
10 -- -- . Diaphragm, Pump 1
11 -- -- . Gasket, Metering Chamber 1
12 -- -- . Gasket, Pump 1
13 -- -- . Cover, Pump 1
14 -- -- . Valve, Inlet Needle 1
15 -- -- . Spring, Metering Lever 1
16 -- -- . Lever, Metering 1
17 -- -- . Pin 1
18 -- -- . Cover, Metering Chamber 1
19 -- -- . Spring, Adjust Screw 2
20 -- -- . Screw, Main Mixture 1
21 -- -- . Screw, Idle Mixture 1
22 -- -- . Screw,Tlhrottle Adjust 1
23 -- -- . Spring, Friction 4
24 -- -- . Shaft Asy, Choke 1
25 -- -- . Valve, Choke 1
26 -- -- . Screw, Pin 1
27 -- -- . Screw, Throttle/Choke Valve 1
28 -- -- . Screw, Metering Chamber 2
29 -- -- . Screw, Pump Cover 1
30 -- -- . Ball, Steel 1
31 -- -- . Collar 1
32 -- -- . Lever, Throttle 1
33 -- -- . Screw, Throttle Lever 1
34 -- -- . Washer, Limiter 2
35 B 111216 . Cap, Limiter, Hi 1
36 B 111217 . Cap, Limiter, Lo 1
37 -- -- . Retainer, Limiter 1
301041 Kit, Carburetor Repair RB-39 (Stk Code A)
301042 Kit, Gasket/Diaphragm GND-35 (Stk Code A)
Can be used on 32/35cc models with serial number prefixes 11-, 21-
Can be used on 38cc models with serial number prefixes 11-, 21-
Can be used on 32/35/38cc models with serial number prefixes 11-, 21-, 22-
ITEM
STK PART UNITS
NO. CODE NUMBER DESCRIPTION PER ASY
- B 323653-04 Carburetor, Walbro WT 438
- B 323654-04 Carburetor, Walbro WT 439
1 -- -- . Strainer 1
2 -- -- . Plug, Welch 1
3 -- -- . Valve, Check 1
4 -- -- . Retainer, Check Valve 1
5 -- -- . Nozzle Asy, Check Valve 1
6 -- -- . Shaft Asy, Throttle 1
7 -- -- . Spring, Throttle Return 1
8 -- -- . Valve, Throttle 1
9 -- -- . Diaphragm Asy, Metering 1
10 -- -- . Diaphragm, Pump 1
11 -- -- . Gasket, Metering Chamber 1
12 -- -- . Gasket, Pump 1
13 -- -- . Cover, Pump 1
14 -- -- . Valve, Inlet Needle 1
15 -- -- . Spring, Metering Lever 1
16 -- -- . Lever, Metering 1
17 -- -- . Pin 1
18 -- -- . Cover, Metering Chamber 1
19 -- -- . Spring, Adjust Screw 2
20 -- -- . Screw, Main Mixture 1
21 -- -- . Screw, Idle Mixture 1
22 -- -- . Screw,Tlhrottle Adjust 1
23 -- -- . Spring, Friction 4
24 -- -- . Shaft Asy, Choke 1
25 -- -- . Valve, Choke 1
26 -- -- . Screw, Pin 1
27 -- -- . Screw, Throttle/Choke Valve 1
28 -- -- . Screw, Metering Chamber 2
29 -- -- . Screw, Pump Cover 1
30 -- -- . Ball, Steel 1
31 -- -- . Collar 1
32 -- -- . Lever, Throttle 1
33 -- -- . Screw, Throttle Lever 1
34 -- -- . Washer, Limiter 2
35 B 325465 . Cap, Limiter, Hi 1
36 B 325466 . Cap, Limiter, Lo 1
37 -- -- . Retainer, Limiter 1
324013 Kit, Carburetor Repair A1128WT (Stk Code A)
324009 Kit, Gasket/Diaphragm B1110WT (Stk Code A)
Can be used on 32/35cc models with serial number prefixes 11-, 21-
Can be used on 38cc models with serial number prefixes 11-, 21-
28
18
9
11
33
32
31
16
17
26
27
27
10
12
13
29
22
24
6
7
36
35
20
21
19
34
19
37
25
3
4
5
5
30
23
15

Other manuals for McCulloch MS1635AV

Related product manuals