EasyManua.ls Logo

McLean T50 - Wire Diagrams

McLean T50
11 pages
Print Icon
To Next Page IconTo Next Page
To Next Page IconTo Next Page
To Previous Page IconTo Previous Page
To Previous Page IconTo Previous Page
Loading...
5 10-1008-214 rev 1
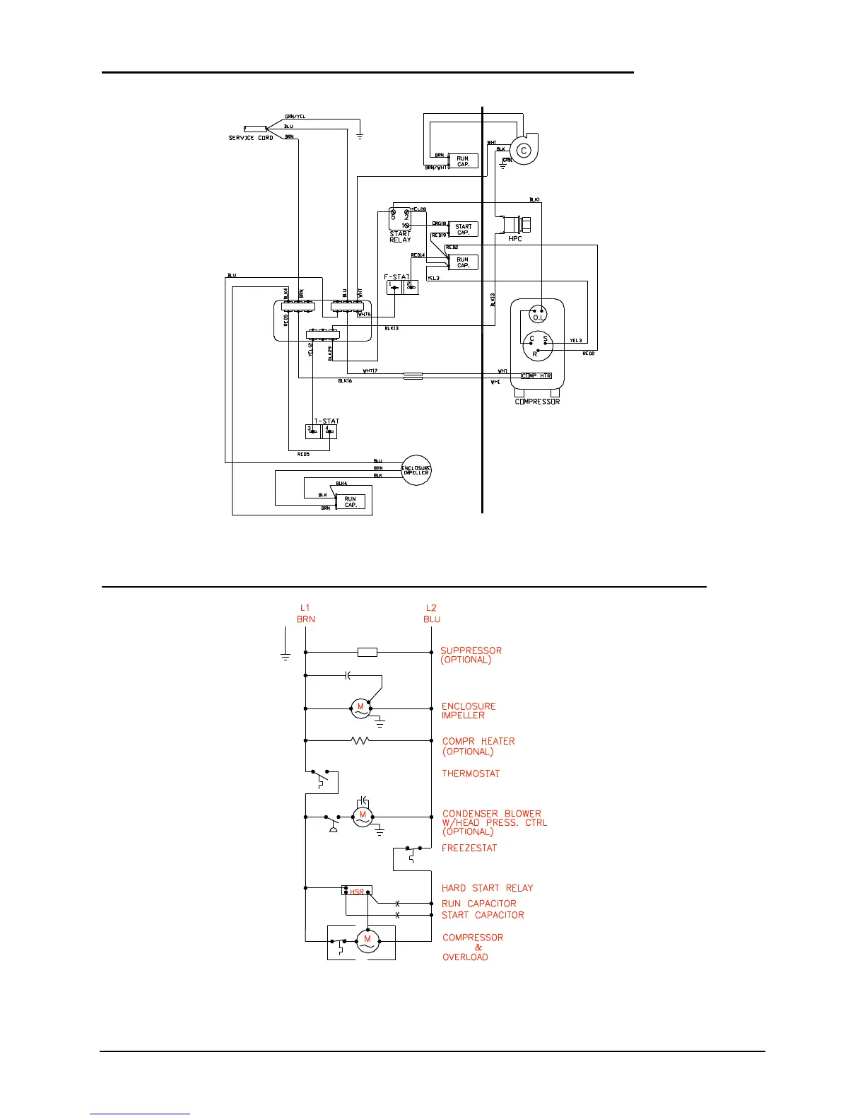
T50 Generic Wire Diagram (actual unit options may vary)
T50 Generic Schematic (see label on unit for actual unit options)

Related product manuals