EasyManua.ls Logo

McQuay M5WM 015GR - Page 66

McQuay M5WM 015GR
118 pages
Print Icon
To Next Page IconTo Next Page
To Next Page IconTo Next Page
To Previous Page IconTo Previous Page
To Previous Page IconTo Previous Page
Loading...
64
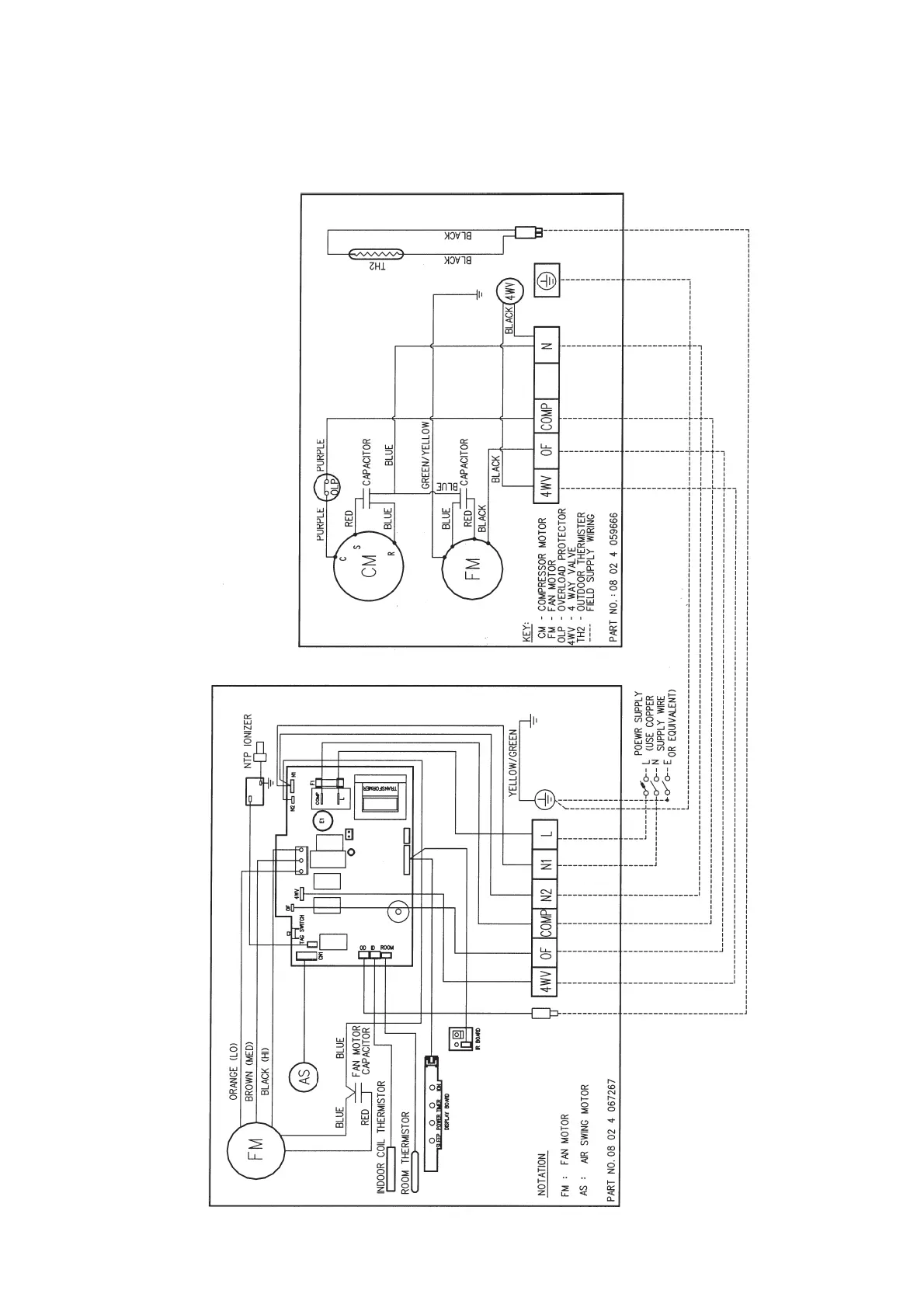
Heatpump Models
Outdoor Unit
Model : MLC 009CR / 010CR , M5LC 007CR / 010CR / 015CR
Indoor Unit
Model : MWM 009GR / 010GR , M5WM 007GR / 009GR / 010GR / 015GR (With NTP)

Related product manuals