EasyManua.ls Logo

McQuay MCM 025 DR

McQuay MCM 025 DR
94 pages
To Next Page IconTo Next Page
To Next Page IconTo Next Page
To Previous Page IconTo Previous Page
To Previous Page IconTo Previous Page
Loading...
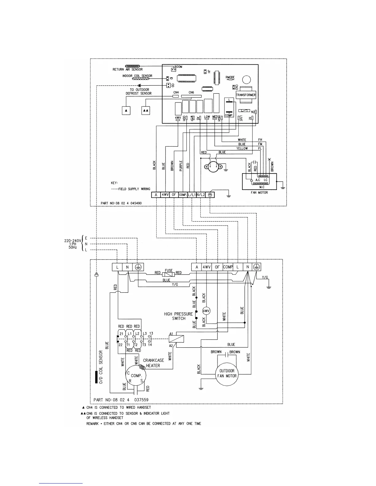
INDOOR UNIT
MODEL : MCM040DR
OUTDOOR UNIT
MODEL: MLC035CR
Page 51

Related product manuals