EasyManua.ls Logo

McQuay MCM 025 DR

McQuay MCM 025 DR
94 pages
To Next Page IconTo Next Page
To Next Page IconTo Next Page
To Previous Page IconTo Previous Page
To Previous Page IconTo Previous Page
Loading...
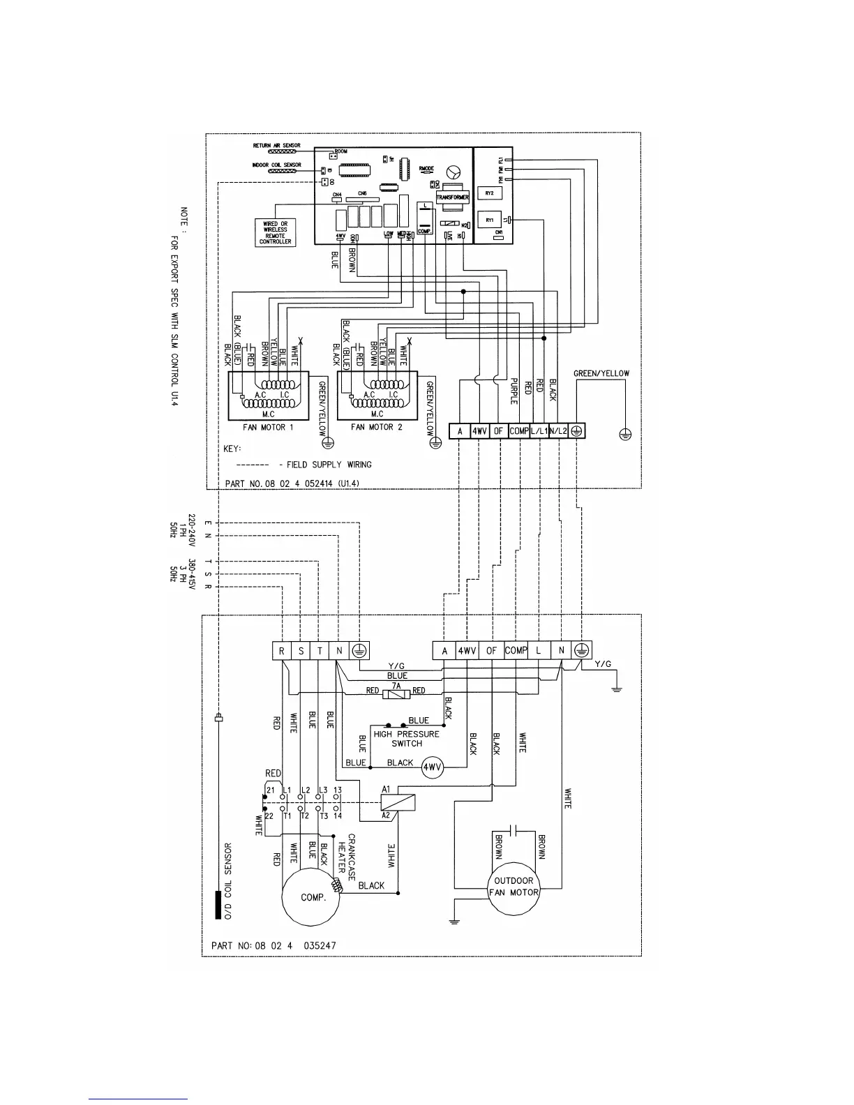
INDOOR UNIT
MODEL : MCM061/ 062CR
OUTDOOR UNIT
MODEL: MLC/ M4LC060CR
Page 54

Related product manuals