EasyManua.ls Logo

McQuay MCM 025 DR

McQuay MCM 025 DR
94 pages
To Next Page IconTo Next Page
To Next Page IconTo Next Page
To Previous Page IconTo Previous Page
To Previous Page IconTo Previous Page
Loading...
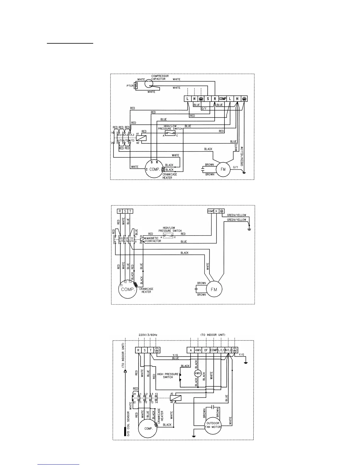
ATTACHMENT
60HZ OUTDOOR UNIT
MODEL : MLC 30C (COOLING ONLY)
60HZ / 1 PHASE / 208 ~230V
MODEL : MLC040/ 050C (COOLING ONLY)
60HZ / 3 PHASE / 200 ~230V
MODEL : MLC040/ 050CR (COOLING ONLY)
60HZ / 3 PHASE / 200 ~230V
Page 55

Related product manuals