EasyManua.ls Logo

McQuay MDS 150B

McQuay MDS 150B
166 pages
To Next Page IconTo Next Page
To Next Page IconTo Next Page
To Previous Page IconTo Previous Page
To Previous Page IconTo Previous Page
Loading...
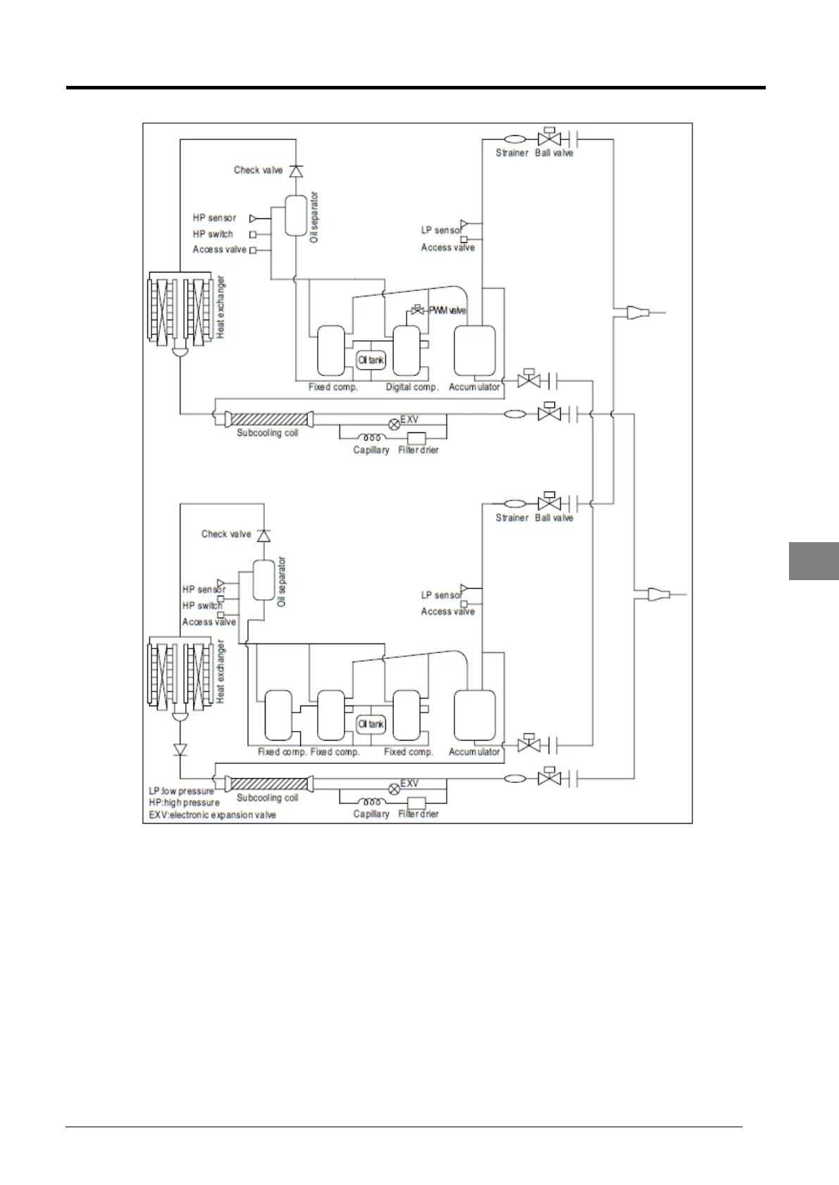
Service Manual SM-MDS_(ii) 153
MDS 260BHC
7

Table of Contents

Related product manuals