EasyManua.ls Logo

McQuay MWH050BR

McQuay MWH050BR
65 pages
To Next Page IconTo Next Page
To Next Page IconTo Next Page
To Previous Page IconTo Previous Page
To Previous Page IconTo Previous Page
Loading...
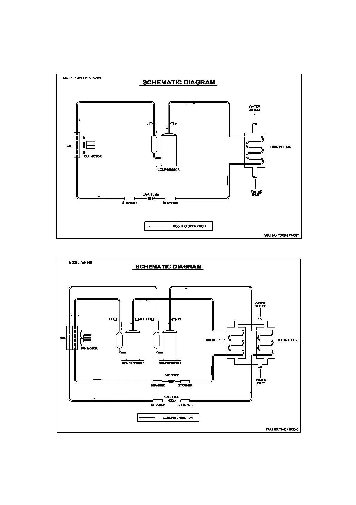
Refrigerant Diagrams
MWH011/012/015/020B
MWH025B
37

Related product manuals