EasyManua.ls Logo

McQuay WMC - Page 18

McQuay WMC
68 pages
Print Icon
To Next Page IconTo Next Page
To Next Page IconTo Next Page
To Previous Page IconTo Previous Page
To Previous Page IconTo Previous Page
Loading...
IOM 1210-1 • MAGNITUDE
®
MODEL WMC CHILLERS 16 www.DaikinApplied.com
InsTallaTIon
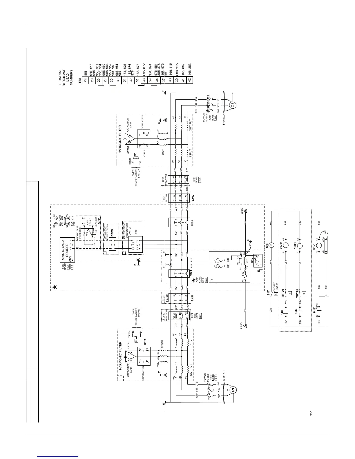
Figure 14: Power Box Single and Multi Point Wiring


























 


































































































Related product manuals