EasyManua.ls Logo

MCZ SUITE - 20-Comfort Air Stove with Three Fans Circuit Board

MCZ SUITE
32 pages
Print Icon
To Next Page IconTo Next Page
To Next Page IconTo Next Page
To Previous Page IconTo Previous Page
To Previous Page IconTo Previous Page
Loading...
75
4
9
8
10
13
12
11
2
3
1
6
14
15
16
+
-
GND
SIGNAL
5V
GND
SIGNAL
5V
GND
SIGNAL
12V
ROSSO
BLU
ALTA TENSIONEBASSA TENSIONE
-
+
GND
12V
6,3 AT
1 AT
31
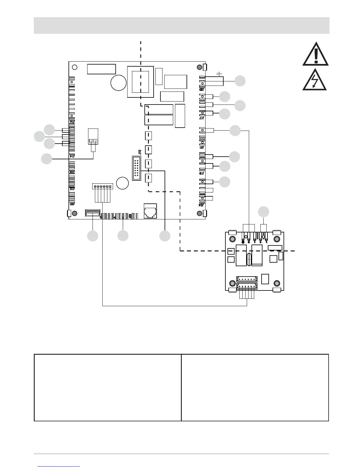
20-COMFORT AIR STOVE WITH THREE FANS CIRCUIT BOARD
Technical Dept. - All rights reserved - Reproduction is prohibited
COMFORT AIR STOVE WITH 3 FANS WIRING KEY
1. SMOKE FAN ENCODER
2. GEAR MOTOR ENCODER
3. PRESSURE TRANSDUCER
4. SMOKE TEMPERATURE PROBE
5. SOFTWARE UPDATE (USB)
6. MODBUS COMMUNICATION FOR MODEM, WI-FI, ETC.
7. EMERGENCY PANEL
8. HOPPER OVERLOAD CUT-OUT
9. AIR FAN 1
10. GEAR MOTOR
11. SMOKE FAN
12. SPARK PLUG
13. SWITCH
14. AIR FAN 2
15. AUXILIARY POWER SUPPLY
16. AIR FAN 3
PLEASE NOTE The electrical wiring of individual components is tted with pre-wired connectors of dierent sizes.
LIVE ELECTRICAL
CABLES
DISCONNECT THE
POWER SUPPLY
CABLE 230V
BEFORE CAR-
RYING OUT ANY
OPERATIONS ON
THE ELECTRICAL
BOARDS

Other manuals for MCZ SUITE

Related product manuals