EasyManua.ls Logo

Mec 4069RT - Page 166

Mec 4069RT
184 pages
Print Icon
To Next Page IconTo Next Page
To Next Page IconTo Next Page
To Previous Page IconTo Previous Page
To Previous Page IconTo Previous Page
Loading...
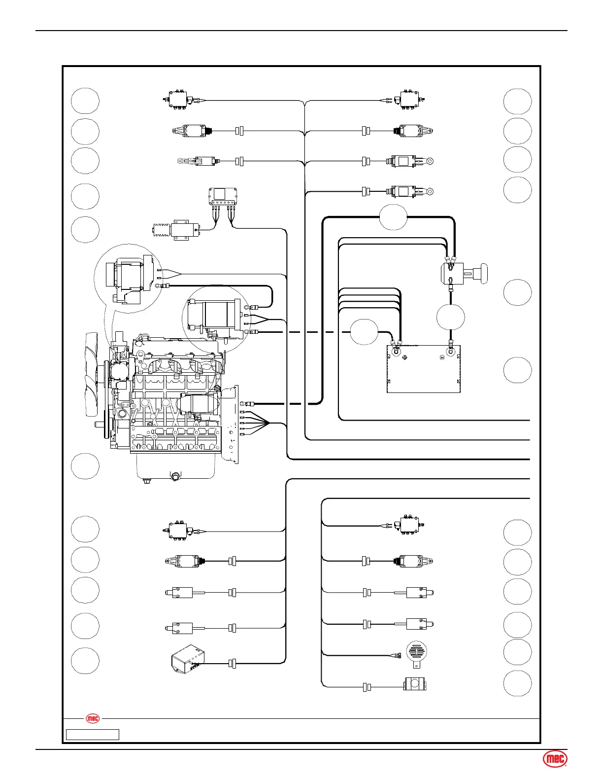
Page 161 XX69RT Series - Service & Parts Manual
November 2022Section 12 - Electrical Systems
Electrical Harness, 3369RT
Electrical Harness69 Series
Art_5490
ILLUSTRATION No.
Limit Switch
(Lift Down)
Coil
(RF Outrigger)
Limit Switch
(Lift Down)
Limit Switch
(RF Outrigger)
16
15
12
25
25
Power
Switch
Battery
13
11
27
26
Horn
Alarm
Coil
(RR Outrigger)
Limit Switch
(RR Outrigger)
Limit Switch
(RR Oscillate)
Limit Switch
(RR Oscillate)
15
16
17
17
18
19
15
Tilt Sensor
Coil
(LR Outrigger)
Limit Switch
(LR Outrigger)
Limit Switch
(LR Oscillate)
Limit Switch
(LR Oscillate)
20
17
17
16
21
Engine
Assembly
Alternator
Starter
Throttle
Actuator
Solenoi
d Module
Limit Switch
(Lift UP)
Coil
(LF Outrigger)
Limit Switch
(LF Outrigger)
15
22
23
24
16
Electrical Harness, 3369RT

Other manuals for Mec 4069RT

Related product manuals