EasyManua.ls Logo

Mecc Alte DER2 - Page 11

Mecc Alte DER2
36 pages
Print Icon
To Next Page IconTo Next Page
To Next Page IconTo Next Page
To Previous Page IconTo Previous Page
To Previous Page IconTo Previous Page
Loading...
DER2 digital regulator instruction manual - rev. 02 - pag. 11
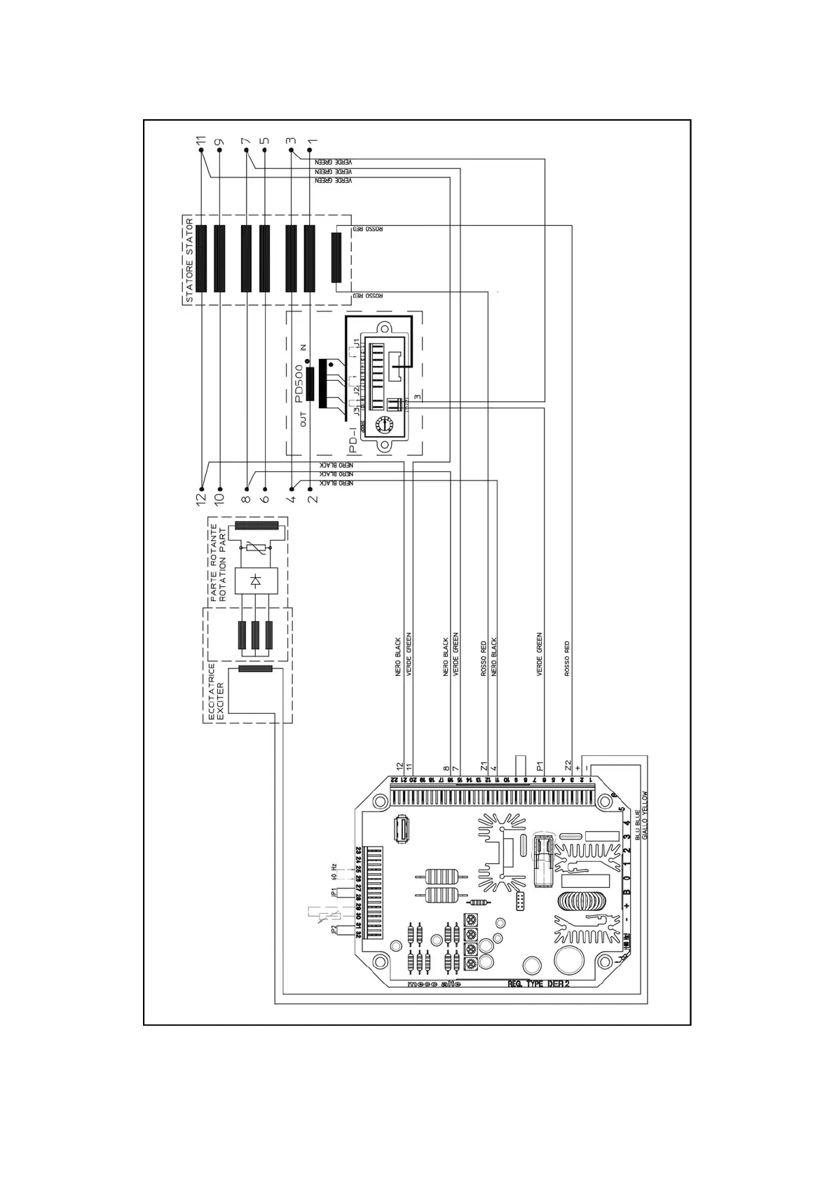
SCC0301/01: Three phase sensing 75V-150V

Related product manuals