EasyManua.ls Logo

Mecmesin AFG Series - Page 35

Mecmesin AFG Series
44 pages
Print Icon
To Next Page IconTo Next Page
To Next Page IconTo Next Page
To Previous Page IconTo Previous Page
To Previous Page IconTo Previous Page
Loading...
page 33
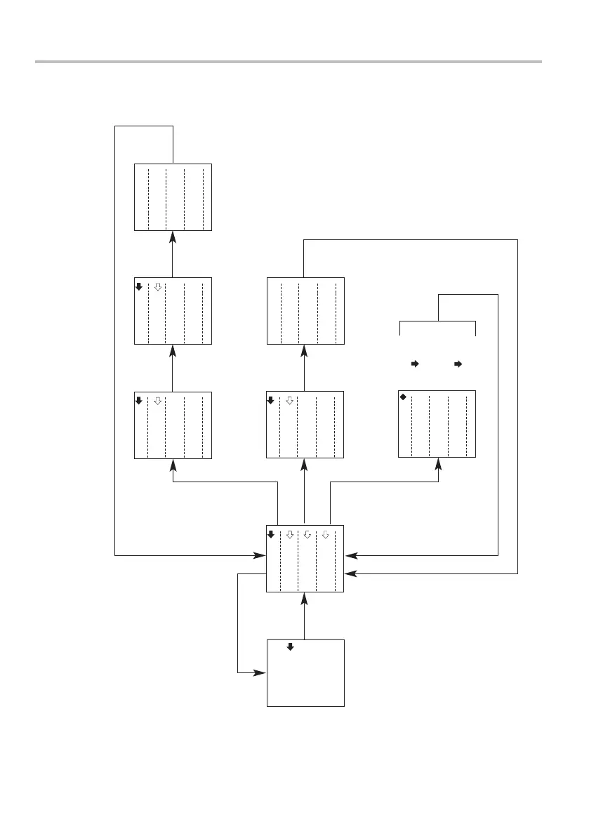
Advanced Menu Options Flow Chart Page 1
Stand
ALARM
PLC
STAND
FREEZE
% DROP
AVERAGE/TIME
RATE
Page 1
STAND OFF
REVERSE
STOP
CYCLE
press
ENTER
press
ESC
BREAK
LIMIT
press
ENTER
SET % 25
lbf
press
ENTER
Press UP or
DOWN key
to select
choice
UPPER 0.28
LOWER -28
CYCLE 10
lbf
Press UP or
DOWN to
increase or
decrease value
Press ENTER to
highlight next
parameter
Repeat
press
ENTER
press
ENTER
press
ENTER
UP
DOWN
Press UP or
DOWN key to
select choice
press
ENTER
BREAK
LIMIT
SET % 25
lbf
press
ENTER
press
ENTER
Press UP or
DOWN key
to select
choice
Press UP or
DOWN key
to select
choice
press
ENTER

Other manuals for Mecmesin AFG Series

Related product manuals