EasyManua.ls Logo

Mercury MerCruiser 8.1S - Coolant and Water Flow Diagrams

Mercury MerCruiser 8.1S
58 pages
To Next Page IconTo Next Page
To Next Page IconTo Next Page
To Previous Page IconTo Previous Page
To Previous Page IconTo Previous Page
Loading...
GASOLINE ENGINE 8.1 S INBOARD MODELS
Page 56 of 58
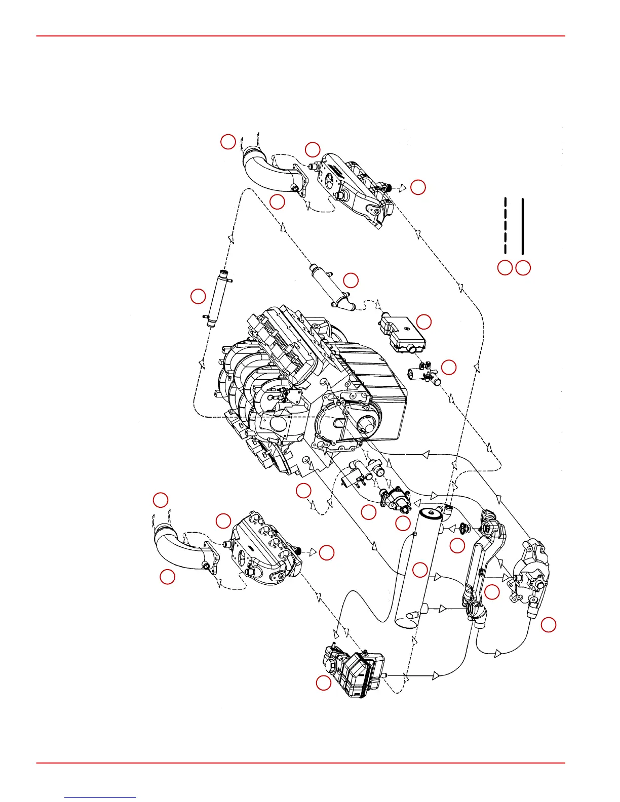
Coolant And Water Flow Diagrams
NOTE: Certain components in the following diagram may look different than on your
particular power package, but the water and coolant flow paths remain similar on all
engines.
a
b
c
d
10
11
1
2
3
4
5
6
7
8
9
c
12
13
14
12
13
14

Related product manuals