EasyManua.ls Logo

Metos CHEF 200 - Page 23

Metos CHEF 200
34 pages
Print Icon
To Next Page IconTo Next Page
To Next Page IconTo Next Page
To Previous Page IconTo Previous Page
To Previous Page IconTo Previous Page
Loading...
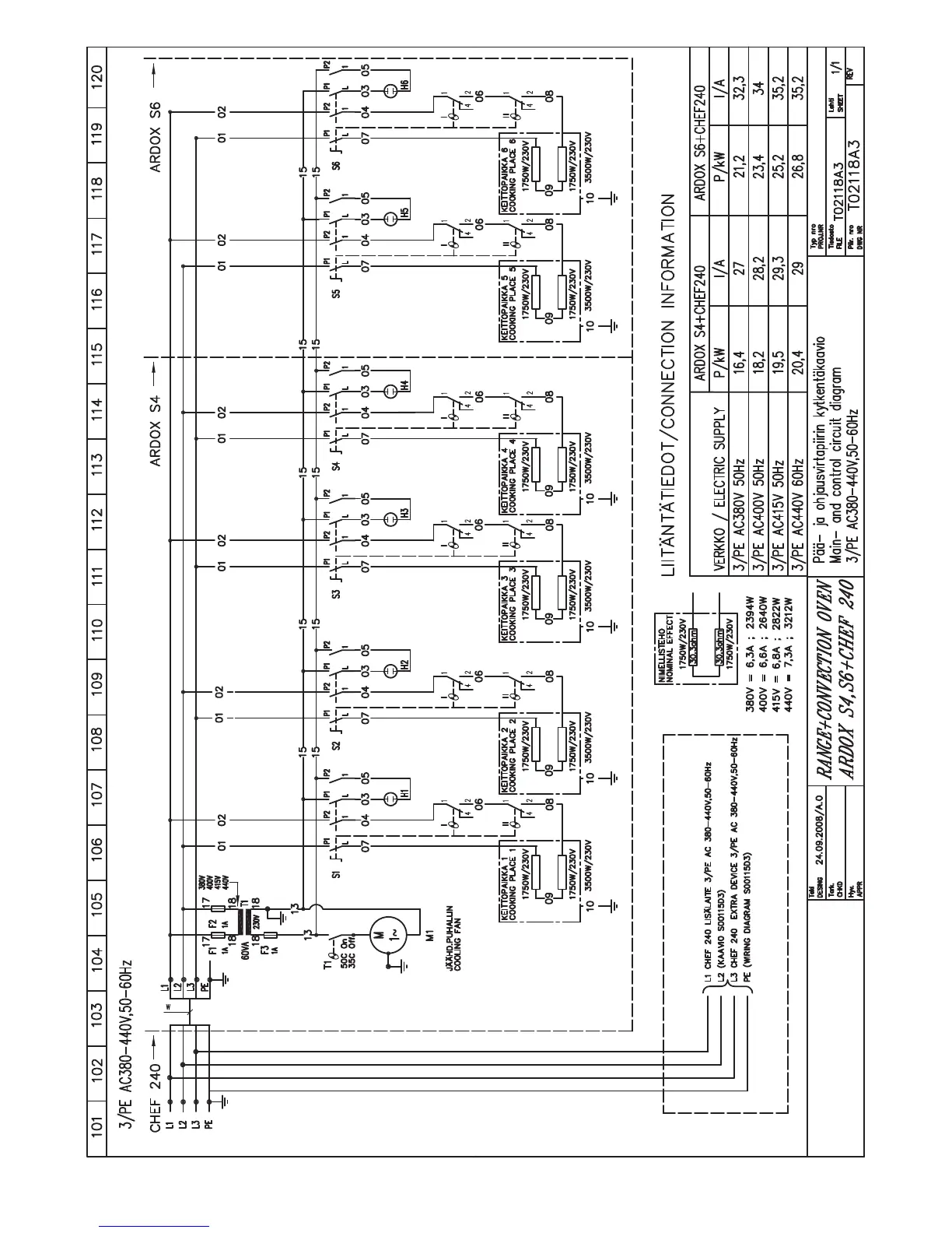
Main and control circuit T02118 A3

Related product manuals