EasyManua.ls Logo

Meyer's 125A - Page 28

Default Icon
40 pages
Print Icon
To Next Page IconTo Next Page
To Next Page IconTo Next Page
To Previous Page IconTo Previous Page
To Previous Page IconTo Previous Page
Loading...
Page 28
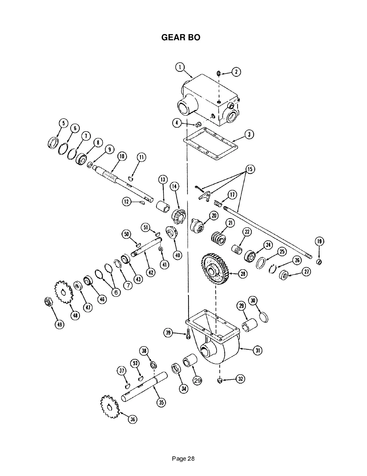
GEAR BOX

Related product manuals