EasyManua.ls Logo

Michelin MCX - Page 69

Michelin MCX
Print Icon
To Next Page IconTo Next Page
To Next Page IconTo Next Page
To Previous Page IconTo Previous Page
To Previous Page IconTo Previous Page
Loading...
69
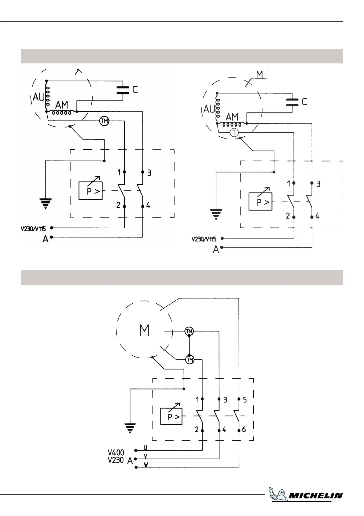
V230/50-60/1
V115/60/1
SCHEMA ELETTRICO – WIRING DIAGRAM – SCHEMA ELECTRIQUE – ELEKTROSCHEMA – ELEKTRICSCHEMA
ELSKEMA – ESQUEMA ELECTRICO – ESQUEMA ELECTRICO – SAHKOAAVIO - ELSCHEMA
V220-230/50-60/3
V380-400/50-60/3

Related product manuals