EasyManua.ls Logo

Midea 16 SEER - Indoor Unit; Outdoor Unit

Midea 16 SEER
21 pages
Print Icon
To Next Page IconTo Next Page
To Next Page IconTo Next Page
To Previous Page IconTo Previous Page
To Previous Page IconTo Previous Page
Loading...
20
1
2
0
3
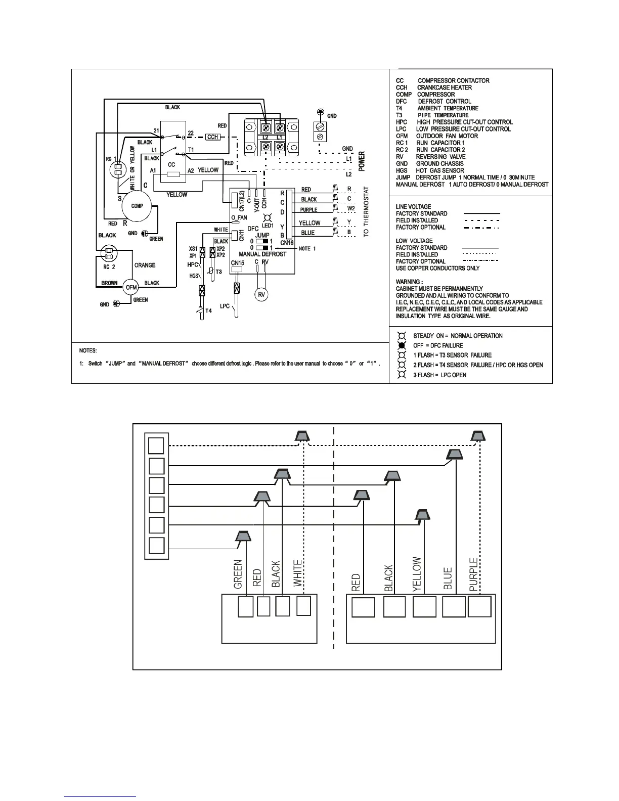
Fig.14 Outdoor Unit Wiring Diagram for H/P Systems(208/230V 1P 60Hz).
THERMOSTAT
C
INDOOR UNITOUTDOOR UNIT
Y
R
G
RY
G
C
C
B
R
B
Fig.15 Control Wiring for H/P Systems.
W2
D
w1
Suggestion
:
When choosing a thermostat, choose KJR-25B or a non-programmable electric
thermostat. Broken lines means H/P system with electric heating. Please refer to thermostat
electrical manual for wiring schematic.
Terminal Block

Related product manuals