EasyManua.ls Logo

Midea ARU07M2AWW - Circuit diagram

Midea ARU07M2AWW
36 pages
Print Icon
To Next Page IconTo Next Page
To Next Page IconTo Next Page
To Previous Page IconTo Previous Page
To Previous Page IconTo Previous Page
Loading...
Service Manual_2018-V1.0
15
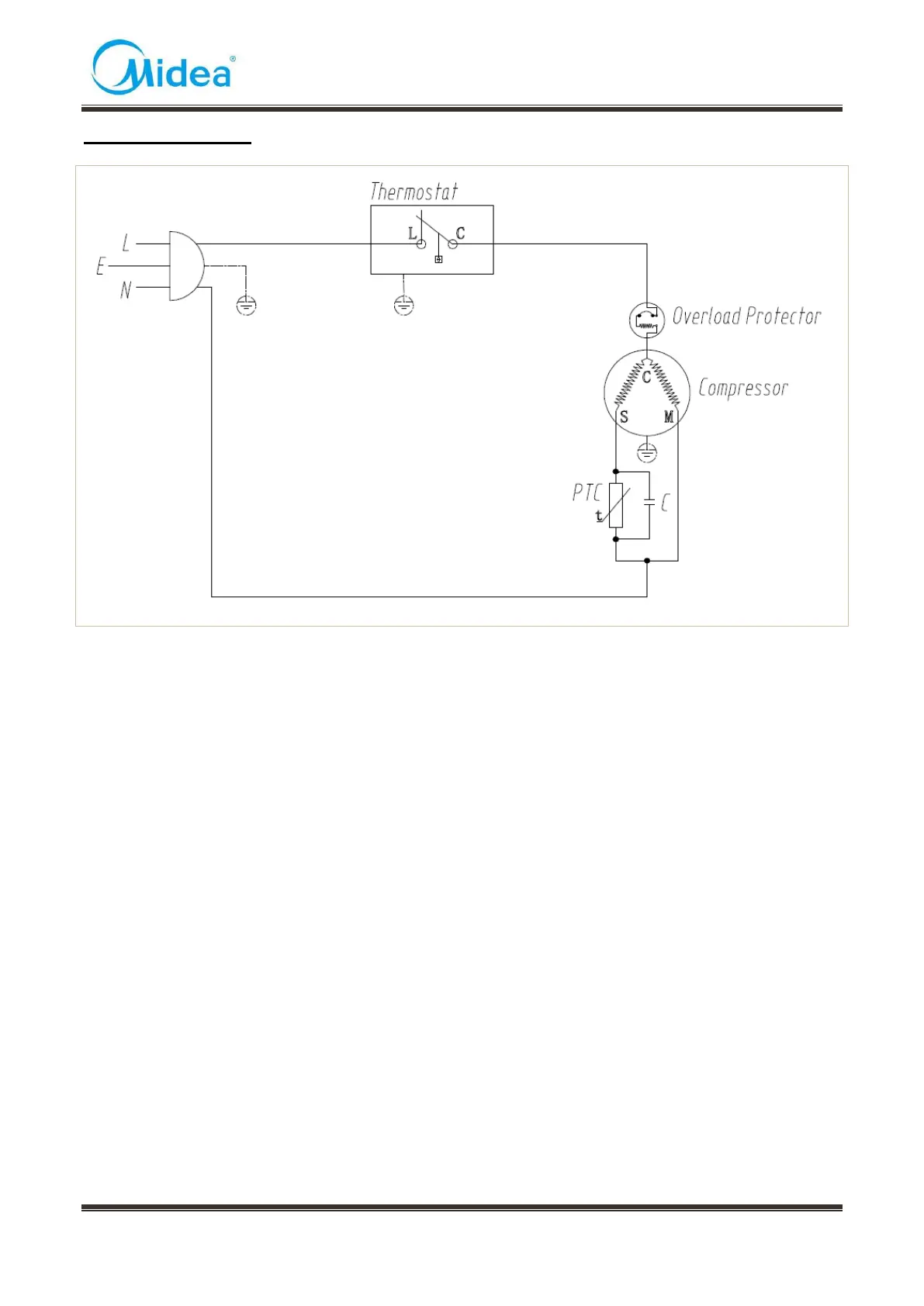
5.5 Circuit diagram

Table of Contents

Related product manuals