EasyManua.ls Logo

Midea Elite Series - Cooling Wiring Diagram (MSE-18 CR)

Midea Elite Series
32 pages
Print Icon
To Next Page IconTo Next Page
To Next Page IconTo Next Page
To Previous Page IconTo Previous Page
To Previous Page IconTo Previous Page
Loading...
17
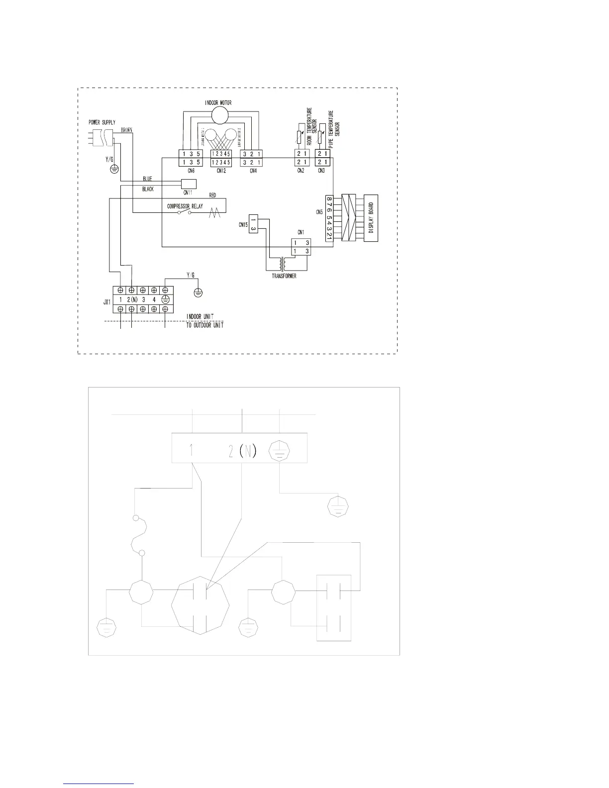
6.2.1.2 MSE-18CR
INDOOR UNIT
COMPRESSOR
CAPACITOR
COMPRESSOR
Y/G
WHITE
S
BLUE
R
C
OVERLOAD
RELAY
RED
OUTDOOR UNIT
CAPACITOR
FAN
FAN
MOTOR
BLUE
RED
BLACK
Y&G
BLACK
BLACK

Related product manuals