EasyManua.ls Logo

Midea M3OD-21HFN1-Q - Page 23

Midea M3OD-21HFN1-Q
72 pages
Print Icon
To Next Page IconTo Next Page
To Next Page IconTo Next Page
To Previous Page IconTo Previous Page
To Previous Page IconTo Previous Page
Loading...
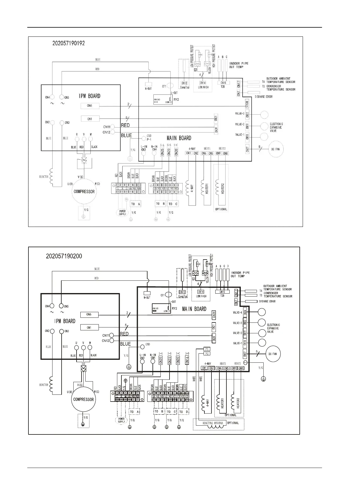
DM15-01.01.11-01en Service manual
Multi DC inverter R410A. Outdoor unit 23
M3OD-21HFN1-Q, M3OD-26HFN1-Q
M4OD-28HFN1-Q

Related product manuals