EasyManua.ls Logo

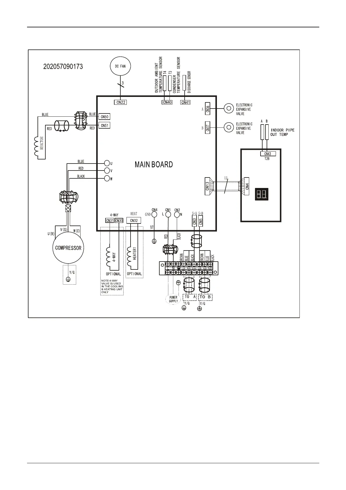
Midea M3OD-21HFN1-Q - Wiring Diagram

Midea M3OD-21HFN1-Q
72 pages
Print Icon
To Next Page IconTo Next Page
To Next Page IconTo Next Page
To Previous Page IconTo Previous Page
To Previous Page IconTo Previous Page
Loading...
Service manual DM15-01.01.11-01en
22 Multi DC inverter R410A. Outdoor unit
5. Wiring Diagram
M2OD-18HFN1-Q

Related product manuals