EasyManua.ls Logo

Midea MCA3U-18HRFNX-QRD0W - Refrigerant Cycle Diagrams

Midea MCA3U-18HRFNX-QRD0W
82 pages
Print Icon
To Next Page IconTo Next Page
To Next Page IconTo Next Page
To Previous Page IconTo Previous Page
To Previous Page IconTo Previous Page
Loading...
Outdoor Unit 18
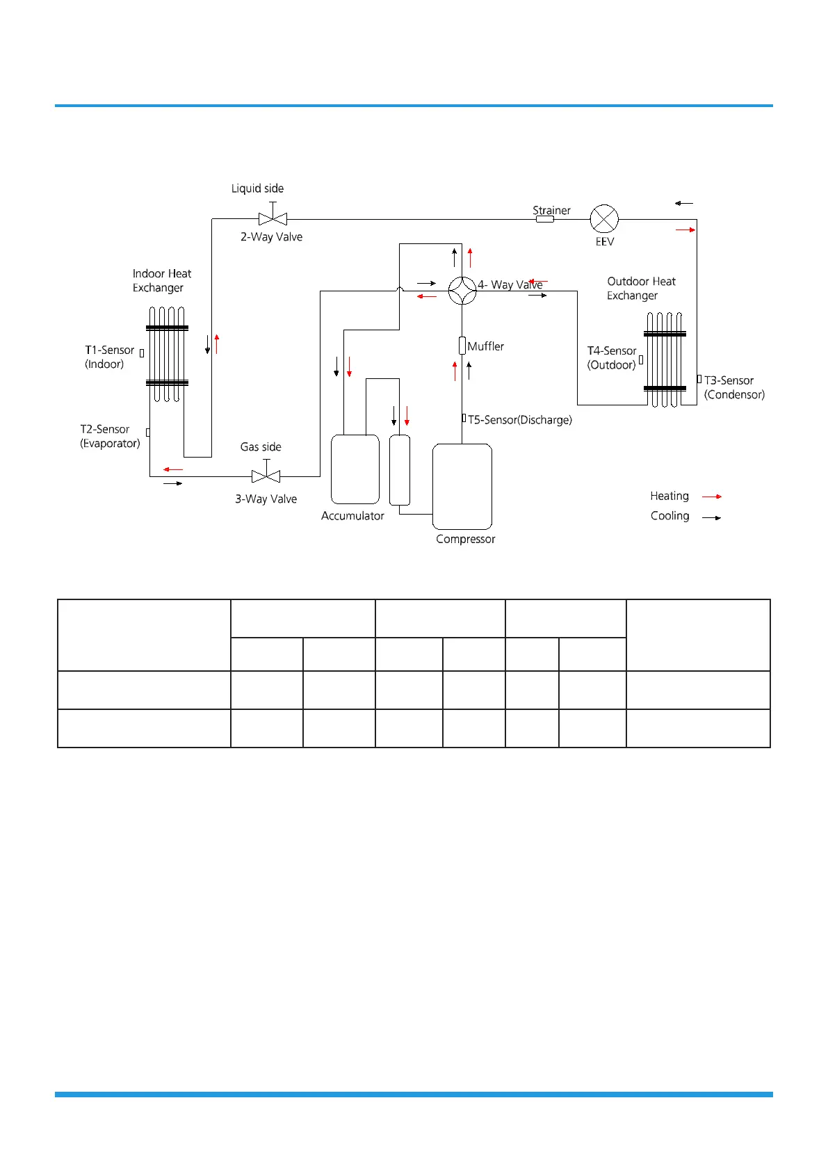
5. Refrigerant Cycle Diagrams
Model No.
Pipe Size (Diameter:ø)
mm(inch)
Piping length (m/ft) Elevation (m/ft)
Additional Refrigerant
Gas Liquid Rated Max. Rated Max.
MOB30-18HFN8-QRD0W 12.7(1/2) 6.35(1/4) 5/16.4 30/98.4 0 20/65.6 12g/m (0.13oz/ft)
MOB30-18HFN1-QRD0W 12.7(1/2) 6.35(1/4) 5/16.4 30/98.4 0 20/65.6 15g/m (0.16oz/ft)

Other manuals for Midea MCA3U-18HRFNX-QRD0W

Related product manuals