EasyManua.ls Logo

Midea MCHSU-18PHH2 - 5. Wiring Diagram; 5.1 Indoor Unit

Midea MCHSU-18PHH2
90 pages
Print Icon
To Next Page IconTo Next Page
To Next Page IconTo Next Page
To Previous Page IconTo Previous Page
To Previous Page IconTo Previous Page
Loading...
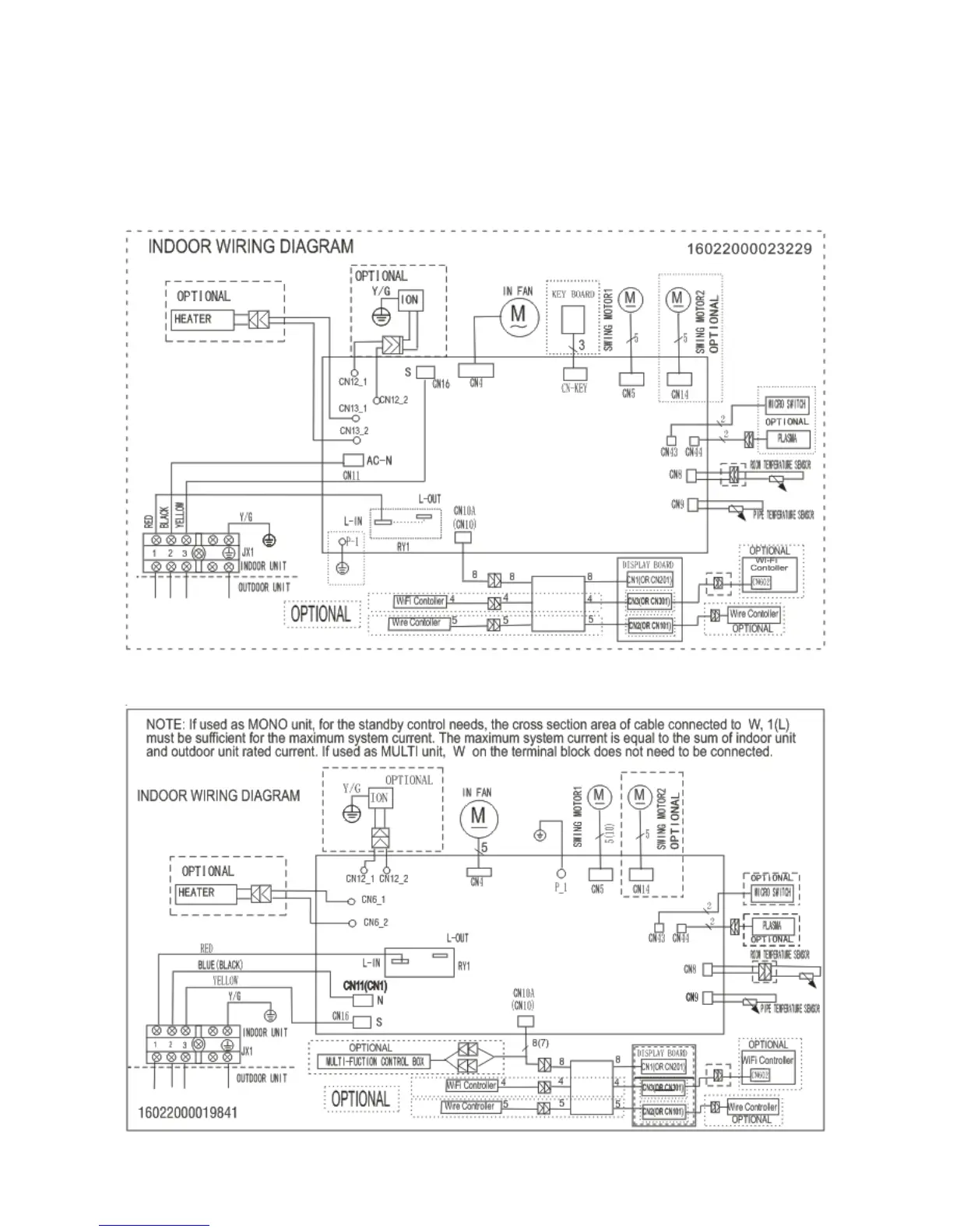
5. Wiring Diagram
5.1 Indoor Unit
MEHS-09PSH1, MEHS-12PSH1,
MEHSU-09PHH2, MEHSU-12PHH2

Table of Contents

Related product manuals