EasyManua.ls Logo

Midea MDV-335(12)W/D2RN1T(C) - Page 22

Midea MDV-335(12)W/D2RN1T(C)
104 pages
Print Icon
To Next Page IconTo Next Page
To Next Page IconTo Next Page
To Previous Page IconTo Previous Page
To Previous Page IconTo Previous Page
Loading...
V4+R VRF 50/60Hz
20 201702
Midea V4+R Series Service Manual
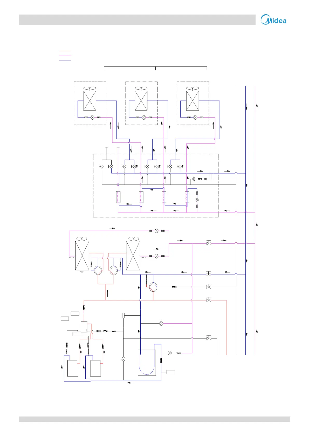
Oil return operation in cooling mode
Figure 2-3.5: refrigerant flow during oil return operation in cooling mode
SV2
SV5
SV4
ST3
EXV-B
EXV-A
INV1
ST1 ST2
FAN1
filter
T3 T5
T4
FAN2
filter
filter filter
heat
exchanging
H-PRO
H-LY1
L-PRO
filter
filter
filter
Oil separator
Check
valve
Capillary
tube
Capillary
tube
heat
exchanging
Check valve
Check
valve
Pressure
regulating
valve
INV2
T7C2
Capillary
tube
T7C1
Check
valve
filter filter
EXV
filter filter
EXV
filter filter
EXV
FAN
heat
exchanging
FAN
heat
exchanging
FAN
heat
exchanging
Indoor unit Indoor unit Indoor unit
High-Pressure Liquid
High-Pressure Balance
Oil Balance
To other outdoor unit
Cooling Oil Return
High temperature, high pressure gas
High temperature, high pressure liquid
Low temperature, low pressure gas
Fan ON ON Fan OFF OFF Fan ON ON
Indoor unit operation
Thermostat "ON" Thermostat "OFF"
Low Pressure Gas
High-Pressure Gas
Check valve
To other MS unit
MS unit
SV1SV1BSV2SV2BSV3SV3BSV4SV4B
SV7
EXVA
sub-cool
pipe
sub-cool
pipe
sub-cool
pipe
sub-cool
pipe
Cooling Cooling Cooling
Accumulator

Table of Contents

Related product manuals