EasyManua.ls Logo

Midea MEHS-22NIH2 - Wiring Diagram; Indoor Unit

Midea MEHS-22NIH2
61 pages
Print Icon
To Next Page IconTo Next Page
To Next Page IconTo Next Page
To Previous Page IconTo Previous Page
To Previous Page IconTo Previous Page
Loading...
9
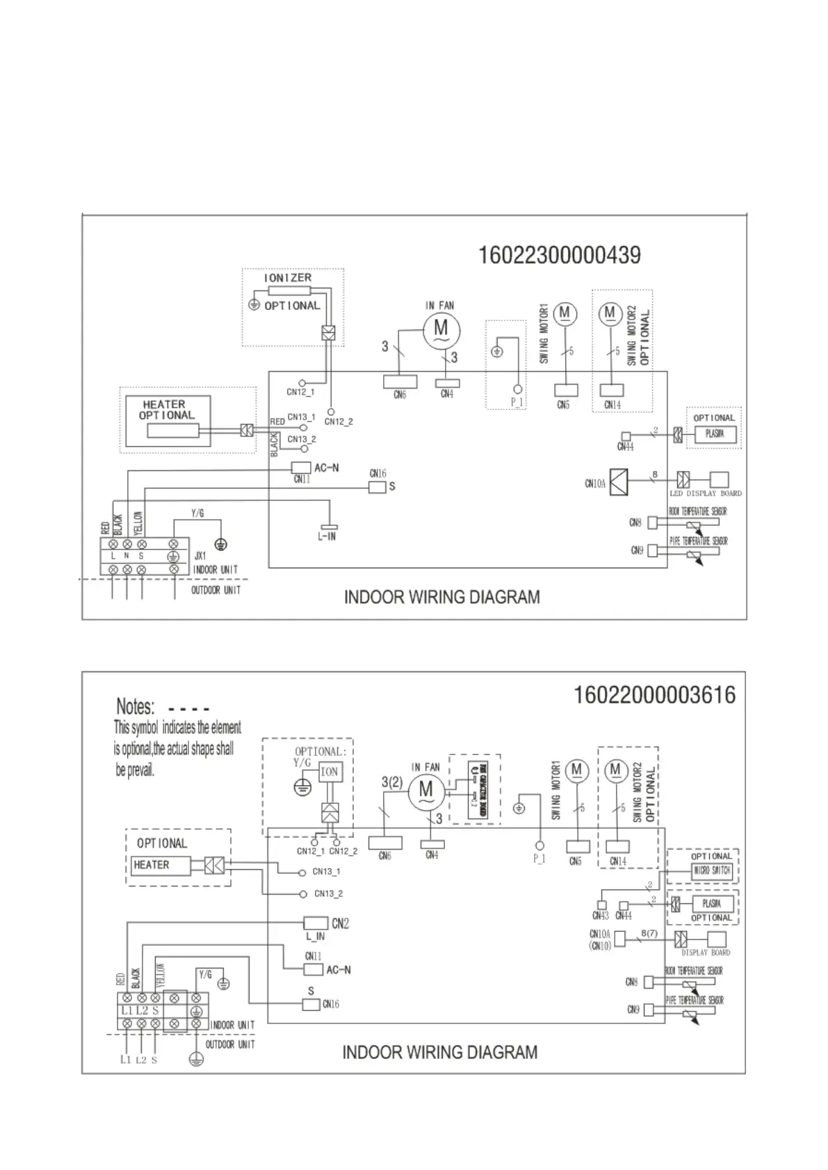
6. Wiring Diagram
6.1 Indoor Unit
MEHS-09NiH1, MEHS-12NiH1
MEHS-09NiH2, MEHS-12NiH2, MEHS-18NiH2

Related product manuals