EasyManua.ls Logo

Midea MEHS-22NIH2 - Page 18

Midea MEHS-22NIH2
61 pages
Print Icon
To Next Page IconTo Next Page
To Next Page IconTo Next Page
To Previous Page IconTo Previous Page
To Previous Page IconTo Previous Page
Loading...
16
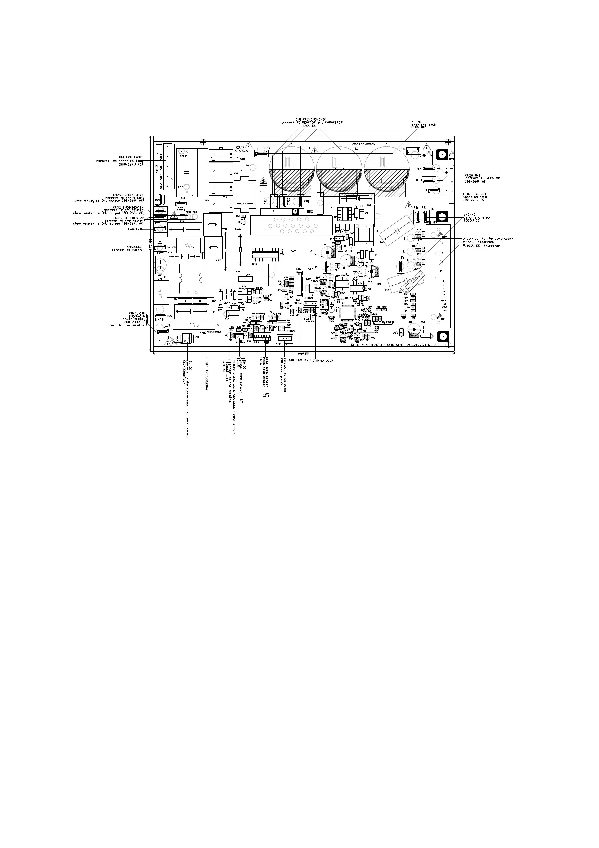
For
MCHS-22NiH2,

Related product manuals