EasyManua.ls Logo

Midea MGCSL-D30W/RN1

Midea MGCSL-D30W/RN1
174 pages
To Next Page IconTo Next Page
To Next Page IconTo Next Page
To Previous Page IconTo Previous Page
To Previous Page IconTo Previous Page
Loading...
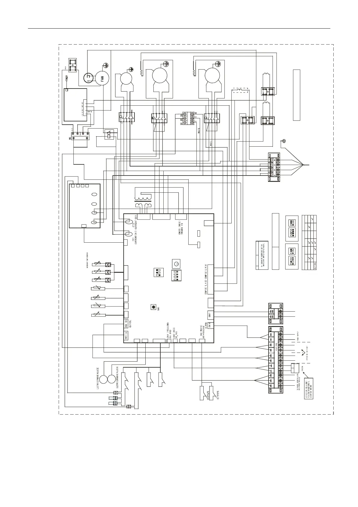
MCAC-ATSM-2011-12 Air-cooled modular chiller unit 50Hz
43
30KW new module
(
Only for MGCSL-F30W/RN1 and MGCSL-D30W/RN1)
XP8
XP7
XS8
XS7
T
3
B
T
3
A
COMP A
2
5
21
3
6
22
4
T3(W)
A1
A2
T2(V)
T1(U)
HEAT_A
Q
P
(E)
PWM(B)
RED BLACK
CHECK
CN18(WHITE
POWER
PWM
CN17
CN11BLA CK
CN24
PUMP
HEAT
CN1(WHIT E
PMV(A)
CN2RED
PMV(B)
CN5
H&L_PRO
CN6
COM(I)
CN25
COM(O)
CN10
CN21
CN14
PWM(A)
CN19WH I TE
TRANS OUT
FAN_A
CN30
FAN_B
CN31
COMP B
2
1
5
21
3
6
22
4
T3(W)
A1
A2
T2(V)
T1(U)
RED
PURPLE
BLACK
BLUE
BLUE
RED
H2
P1
P2
H1
WHITE
S1
T3A T3B T4
XT7
XT5
W1 W2
HEAT_B
TRANS
ON/OFF
AL A R M
BLACK
RED
RED
BLUE
BLACK
XS9
XP9
T
4
WH ITE
R
E
D
B
L
U
E
202090191055
K1(A)
H_PRO(A)
K1(B)
H_PRO(B)
L_PRO(1A)
L_PRO(1B)
BLAC K
L1 L2
CN6
CN5
BLACK
S2 S3
ON
SW2
S4 S5
OFF
S7 S8
ON
SW3
S9
OFF
ORANGE
RED
L_PRO(2B)
L_PRO(2A)
CN15
CN8
CN7
L3 L4
CN4
CN22
CN26
ON / OF F
PQ E
BLACK
XT6
BLACK
RED
RED
BL ACK
5V
Y&G
RED
WHITE
KM1
HIGH
LO W
BLACK
BLUE
RELAY
RELAY
FAN CAP
COLD MOD ULE
CN1
CN2
PUMP
W
V
U
PUMP
2
5
21
3
6
22
4
A1
A2
BLACK
Y&G
WHITE
BL UE
RE D
RE D
WH IT E
BL UE
RE D
BL AC K
T3A2
2
4
6
8
RED
BLUE
RED
XT4
CONDEN SER
TEMP B
CONDENSER
T E MP A
HIGH PRESSURE
PROTECTOR B
LOW PRESSURE
PROTECTOR 1B
LOW PRESSURE
PROTECTOR 1A
HIGH PRESSURE
PROTECTOR A
TEMP PROTECTOR
SWITCH A
TEMP PROTECTOR
SWITCH B
ORA NGE
RED
PURPLE
YEL LOW
CURRENT( B 2)
CURR ENT(A2)
RED
PUR PLE
CO M
NC
FLOW
SWTICH
HEAT
E FFEC T ON N O. 0 MO D UL E)
(ON/OFF SIGNAL!)
LOW VOLTAGE SIGNAL
DON'T CONNECT HIGH VOLTAGE!
PR OVI D E
BY USER
PR OVI DE
BY USER
(ON/OFF SIGNAL!)
2-WAY
TERMINAL
XT3
11-WAY
TERMINAL
XT2
BLUE
BLUE
GRAY
Y
E
L
L
O
W
B
L
A
C
K
G
R
A
Y
B
L
A
C
K
R
E
D
B
R
O
W
N
R
E
D
R
E
D
G
R
A
Y
(YELLOW)(RED)
BLUE
BLUE
RED
YELLOW
(BLUE)
B
L
U
E
MAIN BOARD
CURRENT BOARD
ORANGE
BLUE
PURPLE
RED
PWM PRESSURE
RELIF VALVE
BLUE
Y&G
BLUE
RED
BLUE
MIDDL E
WIRE JOINT
MIDDLE
WIRE JOINT
MIDDLE
WIRE JO INT
S.V(A)
4-VALVE A
4-WA Y TERMINA L
XT1
POWER IN
SW3
S1
16 -WA Y DA I L S WITC H FU N CTI O N
DAIL SWIT CH
A DDRE SS
1 2 3
ON
3 4
SW2
1 2
OFF
S2 ON:COOL ONLY OFF : R&C
S3 ON:DIGIT A L OFF : FIXED
S4 ON:H-EEP R OM OFF : NORMAL
S5 ON:C-EEP R OM OFF : NORMAL
S7 ON:REMOT E CONTROL OFF:WIR E CONTROL
S8 ON:LOW T E MP.MODE OFF:NOR M AL
S9 ON:30KW OFF:65/ 130/200/ 2 60KW
S2 S 3 S4 S5 S7 S8 S9
SW2/ S W3 FUCT I ON DEFIN ATION
ON
OFF
DEFA ULT SE TT I NG
REMO T E TURN O FF
OFF
ON/OFF
S7
ON
REMO T E FUCTI ON SETTING
REMO T E COOL
ON OFF
REMO T E HEAT
ON OFF
SW3
1 2 3
ON
3 4
SW2
1 2
OFF
S2 S 3 S4 S5 S7 S8 S9
ON
OFF
DIGI T AL
FIXED
BLACK
R
E
D
B
L
U
E
AC CONTACTOR
AC CONTACTOR
AC CONTACTOR
CRANK
COMPRESSOR A
BLUE
RED
WHIT E
COMPR ESSO R B
BLUE
RED
WHITE
Y&G
CRANK
Y&G
BLACK
BLUE
RED
WHITE
BLACK
MIDDL E
WIRE JOINT
IN-LET WATER TEMP SENSOR
ANTI-FREEZING TEMP SENSOR
TOTAL OUT-LET WATER TEMP
UNIT OUT-LET WATER TEMP
MARKNOR MAL MODUL E S DO N 'T INCL UDE
BROKEN LINE AND THEIR JOINT WIRES
OUTDOOR WIRIN G DIAGR AM
BROWN
BLUE
BROWN
BLUE
BLACK
BLAC K
BLUE
BLACK
BLACK
RED
BLUE
WHITE
YE LLO W
S.V(A)
4-VALVE B
FLOW
Attached picture (I) Electric Drawing of Main Unit and Auxiliary Unit
BLAC K
POWER PROTECTOR
(
C
O
M
)
(
N
C
)
(
N
O
)

Related product manuals