EasyManua.ls Logo

Midea MGCSL-F30W/RN1 - Wiring Diagrams; Chiller Wiring Diagrams by Module Size

Midea MGCSL-F30W/RN1
174 pages
Print Icon
To Next Page IconTo Next Page
To Next Page IconTo Next Page
To Previous Page IconTo Previous Page
To Previous Page IconTo Previous Page
Loading...
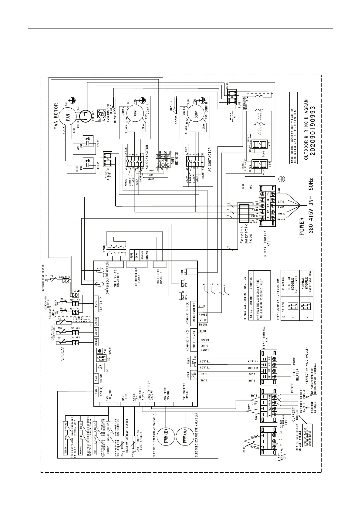
Air-cooled modular chiller unit 50Hz MCAC-ATSM-2011-12
42
7 Wire Diagrams
7.1 Chiller wiring diagram
25/30KW module
Attached Drawing (I) Electric Drawing of Main Unit and Auxiliary Unit

Related product manuals