EasyManua.ls Logo

Midea MGCSL-F30W/RN1 - Page 42

Midea MGCSL-F30W/RN1
174 pages
Print Icon
To Next Page IconTo Next Page
To Next Page IconTo Next Page
To Previous Page IconTo Previous Page
To Previous Page IconTo Previous Page
Loading...
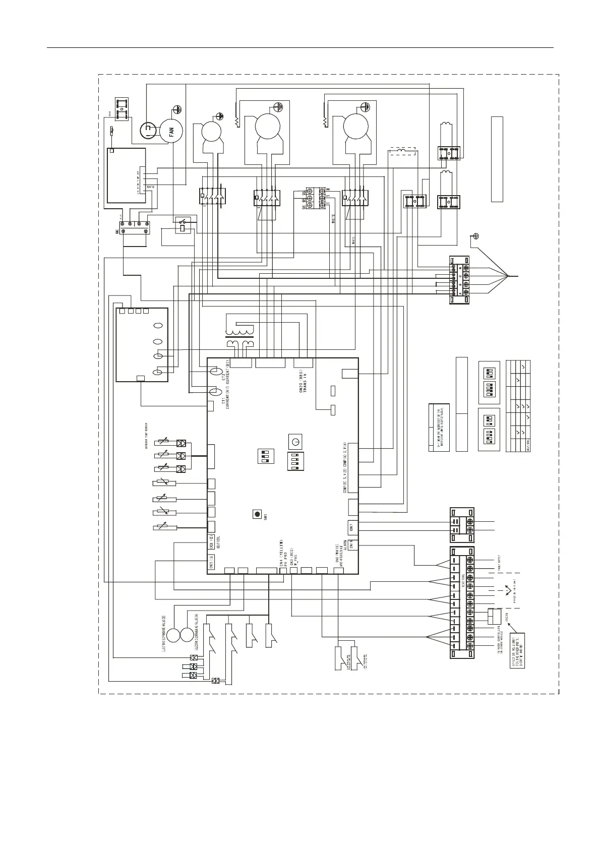
MCAC-ATSM-2011-12 Air-cooled modular chiller unit 50Hz
43
30KW new module
(
Only for MGCSL-F30W/RN1 and MGCSL-D30W/RN1)
XP8
XP7
XS8
XS7
T
3
B
T
3
A
COMP A
2
5
21
3
6
22
4
T3(W)
A1
A2
T2(V)
T1(U)
HEAT_A
Q
P
(E)
PWM(B)
RED BLACK
CHECK
CN18(WHITE
POWER
PWM
CN17
CN11BLA CK
CN24
PUMP
HEAT
CN1(WHIT E
PMV(A)
CN2RED
PMV(B)
CN5
H&L_PRO
CN6
COM(I)
CN25
COM(O)
CN10
CN21
CN14
PWM(A)
CN19WH I TE
TRANS OUT
FAN_A
CN30
FAN_B
CN31
COMP B
2
1
5
21
3
6
22
4
T3(W)
A1
A2
T2(V)
T1(U)
RED
PURPLE
BLACK
BLUE
BLUE
RED
H2
P1
P2
H1
WHITE
S1
T3A T3B T4
XT7
XT5
W1 W2
HEAT_B
TRANS
ON/OFF
AL A R M
BLACK
RED
RED
BLUE
BLACK
XS9
XP9
T
4
WH ITE
R
E
D
B
L
U
E
202090191055
K1(A)
H_PRO(A)
K1(B)
H_PRO(B)
L_PRO(1A)
L_PRO(1B)
BLAC K
L1 L2
CN6
CN5
BLACK
S2 S3
ON
SW2
S4 S5
OFF
S7 S8
ON
SW3
S9
OFF
ORANGE
RED
L_PRO(2B)
L_PRO(2A)
CN15
CN8
CN7
L3 L4
CN4
CN22
CN26
ON / OF F
PQ E
BLACK
XT6
BLACK
RED
RED
BL ACK
5V
Y&G
RED
WHITE
KM1
HIGH
LO W
BLACK
BLUE
RELAY
RELAY
FAN CAP
COLD MOD ULE
CN1
CN2
PUMP
W
V
U
PUMP
2
5
21
3
6
22
4
A1
A2
BLACK
Y&G
WHITE
BL UE
RE D
RE D
WH IT E
BL UE
RE D
BL AC K
T3A2
2
4
6
8
RED
BLUE
RED
XT4
CONDEN SER
TEMP B
CONDENSER
T E MP A
HIGH PRESSURE
PROTECTOR B
LOW PRESSURE
PROTECTOR 1B
LOW PRESSURE
PROTECTOR 1A
HIGH PRESSURE
PROTECTOR A
TEMP PROTECTOR
SWITCH A
TEMP PROTECTOR
SWITCH B
ORA NGE
RED
PURPLE
YEL LOW
CURRENT( B 2)
CURR ENT(A2)
RED
PUR PLE
CO M
NC
FLOW
SWTICH
HEAT
E FFEC T ON N O. 0 MO D UL E)
(ON/OFF SIGNAL!)
LOW VOLTAGE SIGNAL
DON'T CONNECT HIGH VOLTAGE!
PR OVI D E
BY USER
PR OVI DE
BY USER
(ON/OFF SIGNAL!)
2-WAY
TERMINAL
XT3
11-WAY
TERMINAL
XT2
BLUE
BLUE
GRAY
Y
E
L
L
O
W
B
L
A
C
K
G
R
A
Y
B
L
A
C
K
R
E
D
B
R
O
W
N
R
E
D
R
E
D
G
R
A
Y
(YELLOW)(RED)
BLUE
BLUE
RED
YELLOW
(BLUE)
B
L
U
E
MAIN BOARD
CURRENT BOARD
ORANGE
BLUE
PURPLE
RED
PWM PRESSURE
RELIF VALVE
BLUE
Y&G
BLUE
RED
BLUE
MIDDL E
WIRE JOINT
MIDDLE
WIRE JOINT
MIDDLE
WIRE JO INT
S.V(A)
4-VALVE A
4-WA Y TERMINA L
XT1
POWER IN
SW3
S1
16 -WA Y DA I L S WITC H FU N CTI O N
DAIL SWIT CH
A DDRE SS
1 2 3
ON
3 4
SW2
1 2
OFF
S2 ON:COOL ONLY OFF : R&C
S3 ON:DIGIT A L OFF : FIXED
S4 ON:H-EEP R OM OFF : NORMAL
S5 ON:C-EEP R OM OFF : NORMAL
S7 ON:REMOT E CONTROL OFF:WIR E CONTROL
S8 ON:LOW T E MP.MODE OFF:NOR M AL
S9 ON:30KW OFF:65/ 130/200/ 2 60KW
S2 S 3 S4 S5 S7 S8 S9
SW2/ S W3 FUCT I ON DEFIN ATION
ON
OFF
DEFA ULT SE TT I NG
REMO T E TURN O FF
OFF
ON/OFF
S7
ON
REMO T E FUCTI ON SETTING
REMO T E COOL
ON OFF
REMO T E HEAT
ON OFF
SW3
1 2 3
ON
3 4
SW2
1 2
OFF
S2 S 3 S4 S5 S7 S8 S9
ON
OFF
DIGI T AL
FIXED
BLACK
R
E
D
B
L
U
E
AC CONTACTOR
AC CONTACTOR
AC CONTACTOR
CRANK
COMPRESSOR A
BLUE
RED
WHIT E
COMPR ESSO R B
BLUE
RED
WHITE
Y&G
CRANK
Y&G
BLACK
BLUE
RED
WHITE
BLACK
MIDDL E
WIRE JOINT
IN-LET WATER TEMP SENSOR
ANTI-FREEZING TEMP SENSOR
TOTAL OUT-LET WATER TEMP
UNIT OUT-LET WATER TEMP
MARKNOR MAL MODUL E S DO N 'T INCL UDE
BROKEN LINE AND THEIR JOINT WIRES
OUTDOOR WIRIN G DIAGR AM
BROWN
BLUE
BROWN
BLUE
BLACK
BLAC K
BLUE
BLACK
BLACK
RED
BLUE
WHITE
YE LLO W
S.V(A)
4-VALVE B
FLOW
Attached picture (I) Electric Drawing of Main Unit and Auxiliary Unit
BLAC K
POWER PROTECTOR
(
C
O
M
)
(
N
C
)
(
N
O
)

Related product manuals