EasyManua.ls Logo

Midea MOCA30U-18CN1-QC0 - Service Space

Midea MOCA30U-18CN1-QC0
264 pages
Print Icon
To Next Page IconTo Next Page
To Next Page IconTo Next Page
To Previous Page IconTo Previous Page
To Previous Page IconTo Previous Page
Loading...
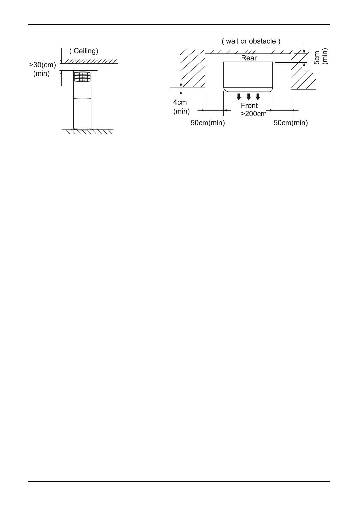
Service Space
122 M Floor-standing Type
12. Service Space

Table of Contents

Related product manuals