EasyManua.ls Logo

Midea MOCA30U-18CN1-QC0 - Wiring Diagrams

Midea MOCA30U-18CN1-QC0
264 pages
Print Icon
To Next Page IconTo Next Page
To Next Page IconTo Next Page
To Previous Page IconTo Previous Page
To Previous Page IconTo Previous Page
Loading...
The Specification of Power
J2 Floor-standing Type 133
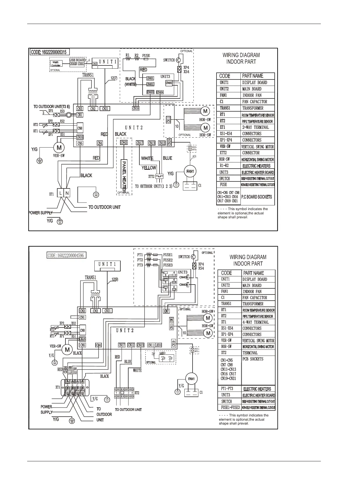
4. Wiring Diagrams
MFJ-24ARN1-Q
MFJ-48ARN1-R

Table of Contents

Related product manuals