EasyManua.ls Logo

Midea MOCA30U-18CN1-QC0 - Field Wiring

Midea MOCA30U-18CN1-QC0
264 pages
Print Icon
To Next Page IconTo Next Page
To Next Page IconTo Next Page
To Previous Page IconTo Previous Page
To Previous Page IconTo Previous Page
Loading...
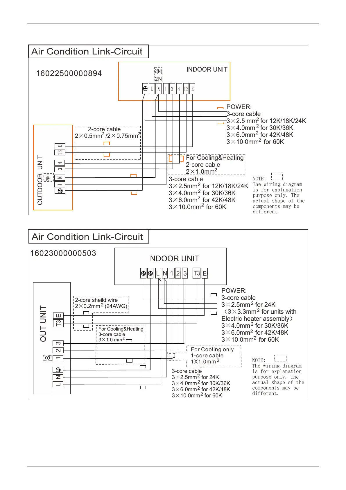
Field Wiring
74 Duct Type
10. Field Wiring
MTI-18HWN1-Q
MTI-24HWN1-Q

Table of Contents

Related product manuals