EasyManua.ls Logo

Midea MOCA30U-18CN1-QC0 - Page 186

Midea MOCA30U-18CN1-QC0
264 pages
Print Icon
To Next Page IconTo Next Page
To Next Page IconTo Next Page
To Previous Page IconTo Previous Page
To Previous Page IconTo Previous Page
Loading...
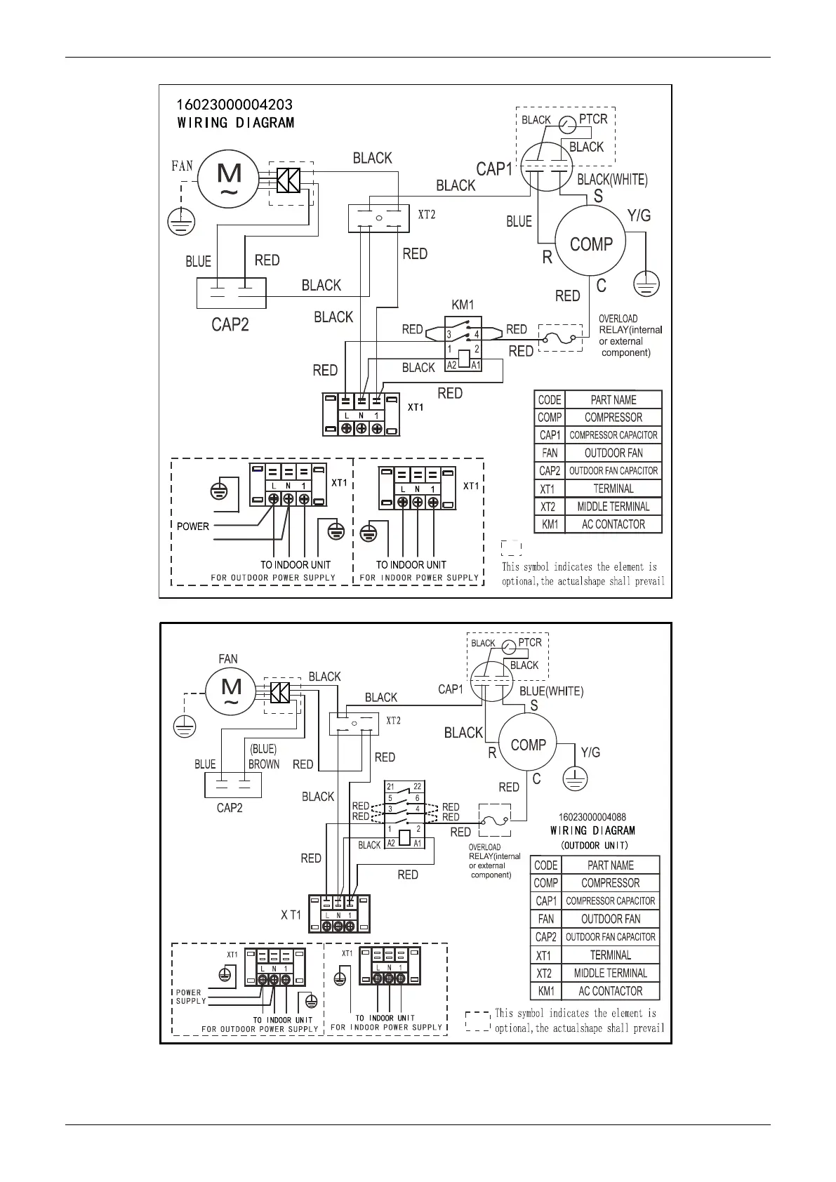
Wiring Diagrams
182 Outdoor Units
MOCA30U-24CN1-QB9, MOCA31U-24CN1-QB9, MOD30U-30CN1-Q
MOD30U-36CN1-Q

Table of Contents

Related product manuals