EasyManua.ls Logo

Midea MRCT-200CWN1-R(C) - Page 42

Midea MRCT-200CWN1-R(C)
132 pages
Print Icon
To Next Page IconTo Next Page
To Next Page IconTo Next Page
To Previous Page IconTo Previous Page
To Previous Page IconTo Previous Page
Loading...
DM16‐01.01.27en RooftopClimaCreatorseries
42 Service manual
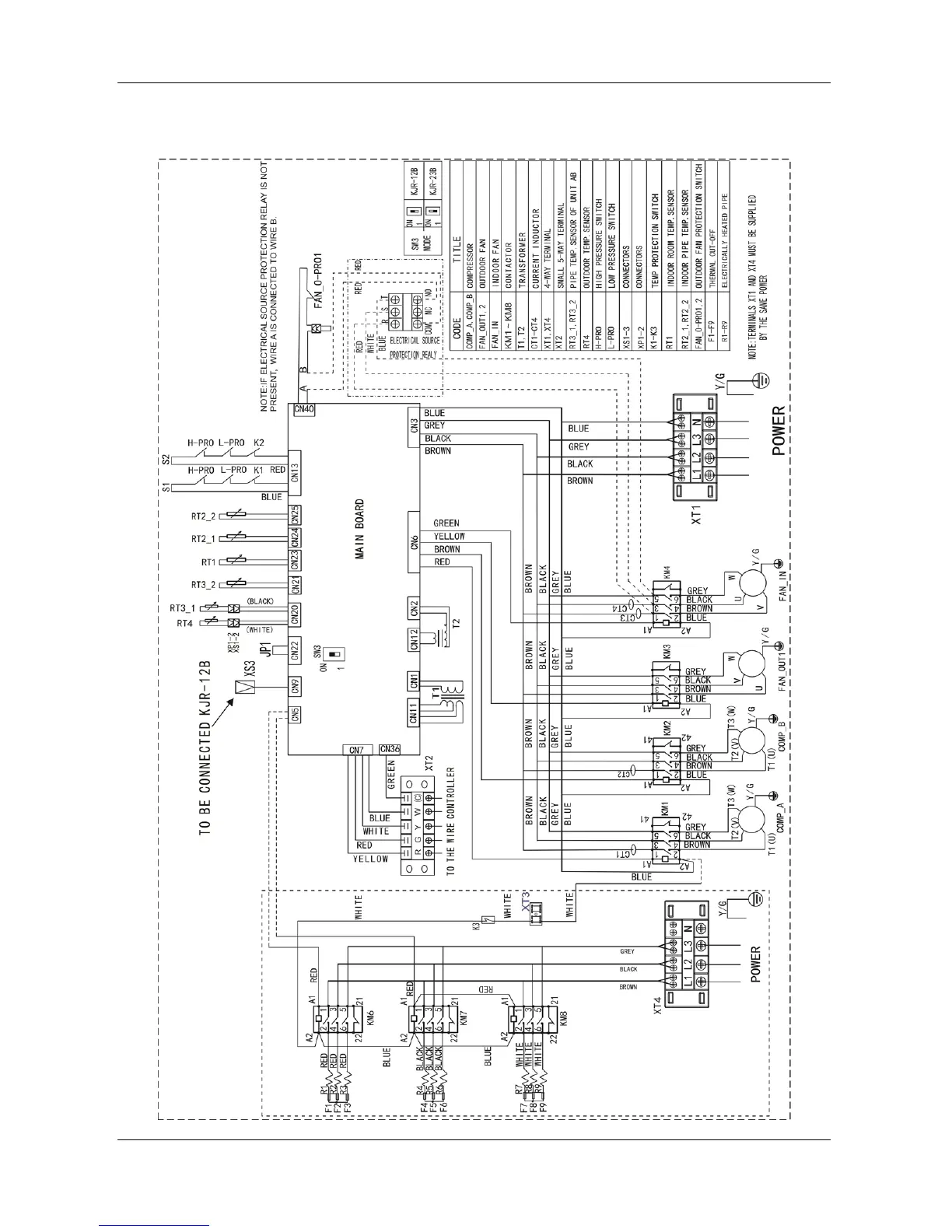
MRCT-150CWN1-R(C):

Related product manuals