EasyManua.ls Logo

Midea MV6-i615WV2GN1-E - 14;16;18 HP Piping Diagram

Midea MV6-i615WV2GN1-E
130 pages
Print Icon
To Next Page IconTo Next Page
To Next Page IconTo Next Page
To Previous Page IconTo Previous Page
To Previous Page IconTo Previous Page
Loading...
-i V6-i VRF 50/60Hz
17
Part 2
- Component Layout
and
Refrigerant Circuits
14/16/18HP
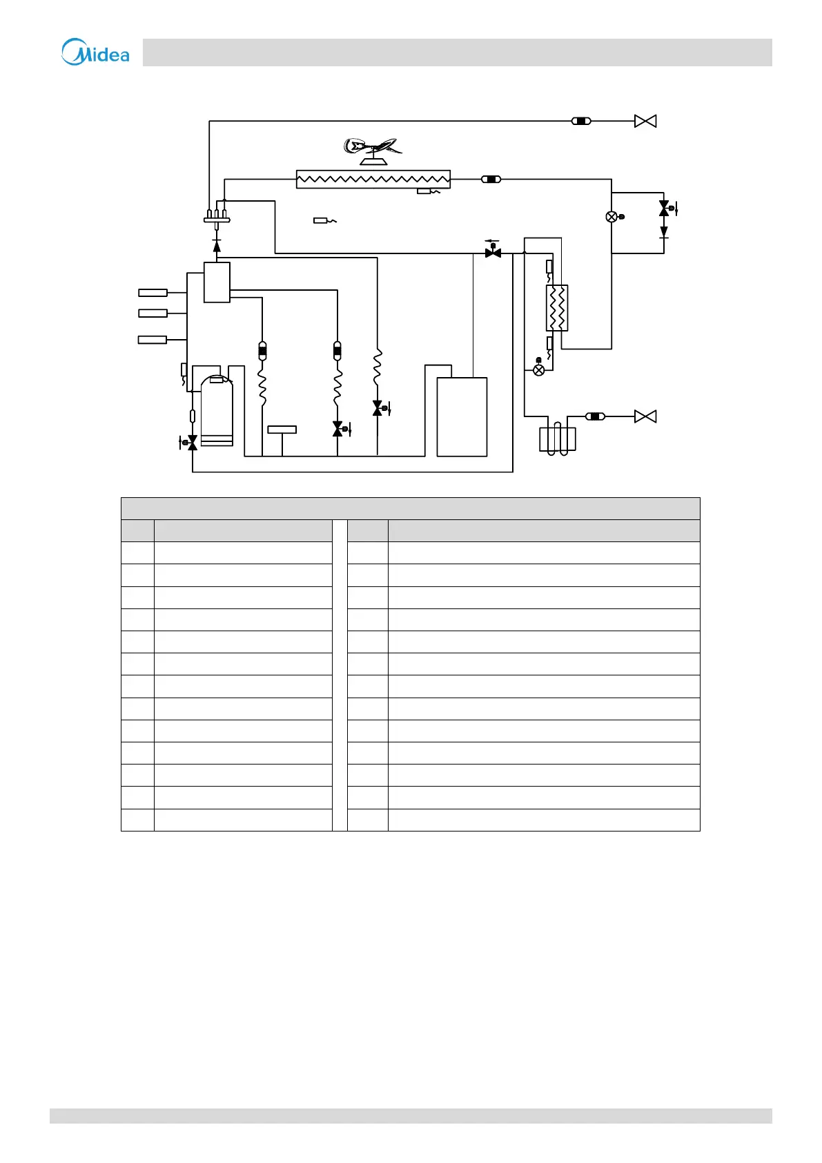
Figure 2-2.2: 14/16/18HP piping diagram
Legend
No.
Parts name
No.
Parts name
1
Compressor
14
Plate heat exchanger
2
Discharge temperature switch
15
Accumulator
3
High pressure switch
T3
Heat exchanger temperature sensor
4
High pressure sensor
T4
Outdoor ambient temperature sensor
5
Oil separator
T6A
Plate heat exchanger inlet temperature sensor
6
Four-way valve
T6B
Plate heat exchanger outlet temperature sensor
7
Heat exchanger
T7C1
Compressor A discharge temperature sensor
8
Electronic expansion valve (EXV)
T7C2
Compressor B discharge temperature sensor
9
Low pressure switch
SV4
Oil return valve
10
Fan motor
SV5
Fast defrosting (in heating) and unloading (in cooling) valve
11
Fan
SV6
Refrigerant bypass EXV valve
12
Stop valve (liquid side)
SV7
Refrigerant bypass indoor units valve
13
Stop valve (gas side)
SV8A
Compressor A vapor injection valve
1
15
12
9
3
4
5
6
11
10
7
14
8
8
13
EXVA
EXVC
E
S
C
SV8A
SV4
SV7
SV5
SV6
T3
T4
T6B
T6A
2
T7C1
T7C2

Table of Contents

Related product manuals