EasyManua.ls Logo

Midea MV6-i615WV2GN1-E - Page 31

Midea MV6-i615WV2GN1-E
130 pages
Print Icon
To Next Page IconTo Next Page
To Next Page IconTo Next Page
To Previous Page IconTo Previous Page
To Previous Page IconTo Previous Page
Loading...
V6-i VRF 50/60Hz
30
Midea V6-i Series Service Manual
30/32HP
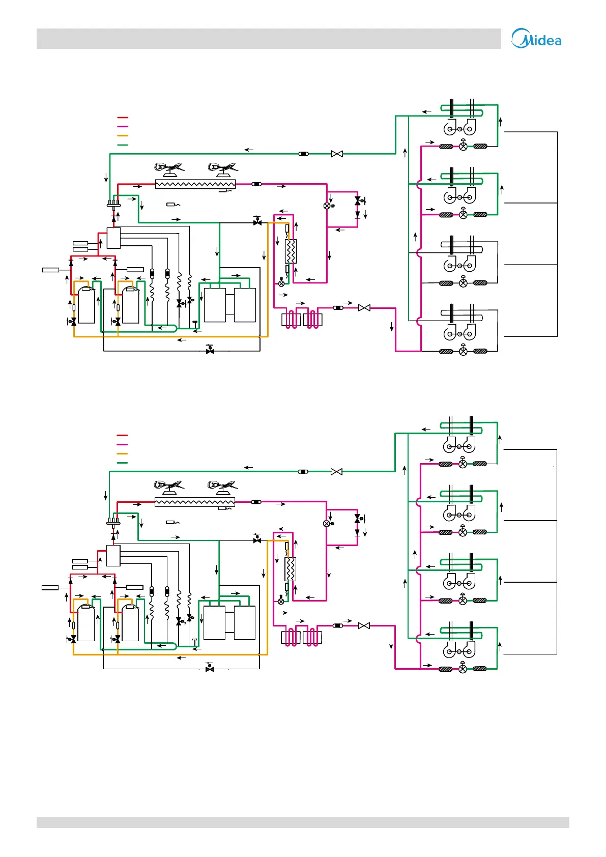
Cooling operation
Figure 2-3.17: 30/32 refrigerant flow during cooling operation
Oil return operation in cooling mode
Figure 2-3.18: 30/32HP refrigerant flow during oil return operation in cooling mode
15
15
7
1
1
12
3
4
5
6
11
11
10 10
14
8
8
13
EXVA
EXVC
E
S
C
T3
T4
2
T7C1
T7C2
T6B
T6A
SV8A
SV8B
SV9
SV4
SV5
SV6
2
High temperature, high pressure gas
High temperature, high pressure liquid
Medium temperature, medium pressure gas
Low temperature, low pressure
Closed
Filter
Filter
Closed
Unit on
Thermostat off
Unit on
Thermostat on
Unit on
Thermostat on
Unit off
Filter
Indoor unit operation
Filter
Normal control
Filter
Filter
Normal control
Filter
Filter
Fan
on
Fan
off
Fan
on
Fan
on
9
S
V7
300 steps
Filter
Filter
300 steps
Unit on
Thermostat off
Unit on
Thermostat on
Unit on
Thermostat on
Unit off
Filter
Indoor unit operation
Filter
Normal control
Filter
Filter
Normal control
Filter
Filter
Fan
on
Fan
off
Fan
on
Fan
on
15
15
7
1
1
12
3
4
5
6
11
11
10 10
14
8
8
13
EXVA
EXVC
E
S
C
T3
T4
2
T7C1
T7C2
T6B
T6A
SV8A
SV8B
SV9
SV4
SV5
SV6
2
High temperature, high pressure gas
High temperature, high pressure liquid
Medium temperature, medium pressure gas
Low temperature, low pressure
9
S
V7

Table of Contents

Related product manuals