EasyManua.ls Logo

Midea NTH15-23AR

Midea NTH15-23AR
17 pages
To Next Page IconTo Next Page
To Next Page IconTo Next Page
To Previous Page IconTo Previous Page
To Previous Page IconTo Previous Page
Loading...
维修手册 Service Manual, 2021 v1.0
15 / 17
5 附录 Appendix:
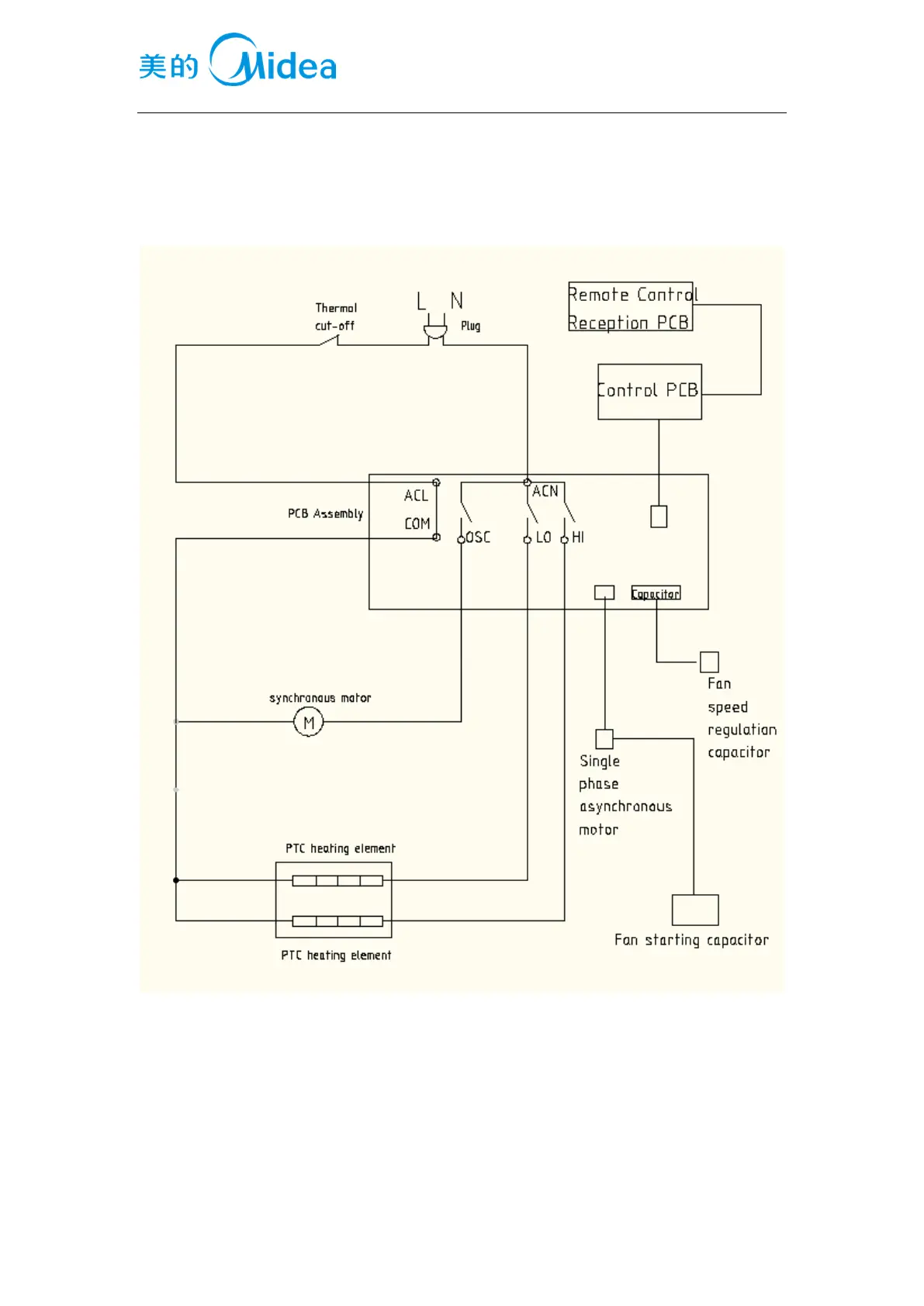
5.1 整机接线图 Electrical Schematic Diagram

Related product manuals