EasyManua.ls Logo

Midea SMK-D140HHN1-3 - Page 16

Midea SMK-D140HHN1-3
83 pages
Print Icon
To Next Page IconTo Next Page
To Next Page IconTo Next Page
To Previous Page IconTo Previous Page
To Previous Page IconTo Previous Page
Loading...
High Temperature Hydro Module
14 202003
Midea
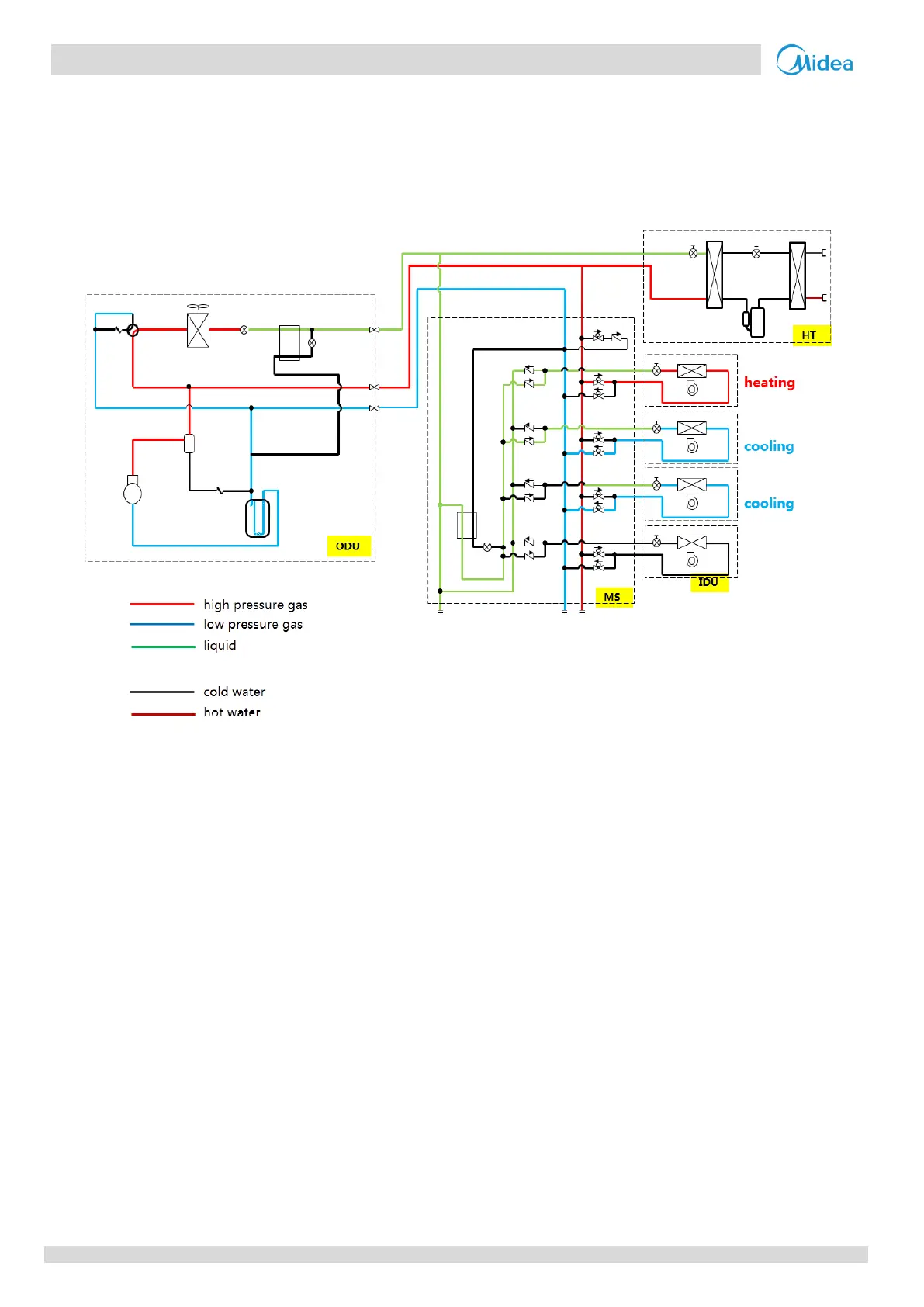
VR High Temperature Hydro Module
MAIN COOLING (Outdoor heat exchanger works as evaporator
Indoor units in cooling mode +Hydro box
Indoor units in cooling/heating + Hydro box

Other manuals for Midea SMK-D140HHN1-3

Related product manuals