EasyManua.ls Logo

Midea SMK-D140HHN1-3 - Page 17

Midea SMK-D140HHN1-3
83 pages
Print Icon
To Next Page IconTo Next Page
To Next Page IconTo Next Page
To Previous Page IconTo Previous Page
To Previous Page IconTo Previous Page
Loading...
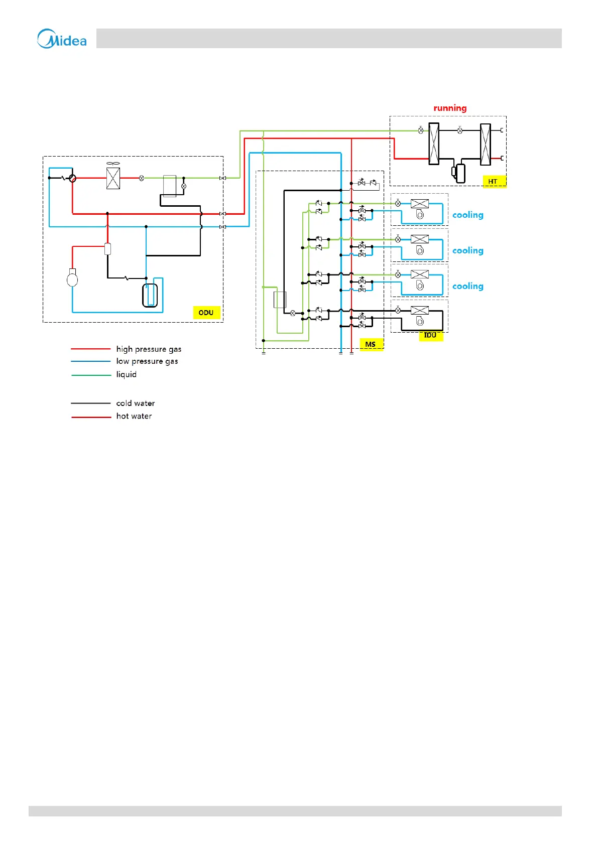
High Temperature Hydro Module
202003 15
Service
Manual
HEAT RECOVERY (Free to provide hot water)
All indoor units in cooling mode + Hydro box

Other manuals for Midea SMK-D140HHN1-3

Related product manuals